Заўвага: Пры ўсталёўцы запатрабуюцца новая пракладка галоўкі блока цыліндраў, пракладка затамкавага вечка, і колцавае ўшчыльненне якая адводзіць выхлапной трубы.
Зняцце
1. Зніміце акумулятар як апісана ў Раздзеле 5А.
2. Зніміце капот як апісана ў Раздзеле 11.
3. Зліце вадкасць з сістэмы астуджэння, уключаючы блок цыліндраў, як апісана ў Раздзеле 1А або 1В. Зліўны корак у блоку знаходзіцца на правай задняй сценцы рухавіка.
4. Зліце маторнае масла як апісана ў Раздзеле 1.
5. Зніміце зборку паветранага фільтра, кіруючыся адпаведнай Часткай Раздзела 4.
6. Зніміце зубчасты прывадны рамень, гл. Главу 6.
7. Адлучыце адводную выхлапную трубу ад калектара, кіруючыся адпаведнай Часткай Раздзела 4.
8. Адлучыце шлангі вентыляцыі картэра ад затамкавага вечка (гл. ілюстрацыю).
12.8. Шлангі вентыляцыі картэра на затамкавым вечку - рухавік F7P (з 16 клапанамі).
9. Зніміце вечка размеркавальніка і свечкі запальвання, кіруючыся адпаведнай Часткай Раздзелаў 5 і 1, калі неабходна.
10. Адлучыце тросік педалі газу і перамесціце яго ў бок.
11. Адлучыце джгут правадоў, які ідзе да рухавіка, і зніміце працэсарны блок сістэмы запальвання/упырску паліва, кіруючыся адпаведнай Часткай Раздзела 4.
12. Адкруціце кранштэйны генератара ад впускного калектара.
13. Адкруціце кранштэйны стартара ад выпускнога калектара.
14. Адкруціце цеплаізаляцыйны шчыток выпускнога калектара.
15. Зніміце радыятар і вентылятар як апісана ў Раздзеле 3.
16. Адкруціце дзве падтрымныя стойкі ад падставы ўпускнога калектара.
17. Адкруціце кажух свечак запальвання ад верхняй часткі затамкавага вечка (гл. ілюстрацыю).
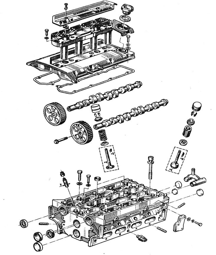
12.17. Галоўка блока цыліндраў - рухавік F7P (з 16 клапанамі).
18. Адкруціце затамкавае вечка ад галоўкі блока цыліндраў, і зніміце дзве пракладкі.
19. З дапамогай кантавага фігурнага ключа Т55, паступова адкруціце ніты мацавання галоўкі блока цыліндраў, паварочваючы іх на паўабарота за адзін прыём у парадку, зваротным да паказанага на ілюстрацыі 11.29.
11.29. Паслядоўнасць зацяжкі нітаў мацавання галоўкі блока цыліндраў - усе рухавікі F-серыі.
20. Падніміце галоўку з блока цыліндраў. Калі зрабіць гэта не атрымоўваецца, ударце па галоўцы кіянкай.
Агляд
21. Сумяшчальныя паверхні галоўкі і блока цыліндраў павінны быць зусім чыстымі. З дапамогай скрабка выдаліце ўсе сляды пракладкі і нагару, а таксама ачысціце верхнія часткі поршняў. Працуйце асабліва асцярожна з алюмініевай галоўкай блока цыліндраў, бо мяккі метал можа быць лёгка пашкоджаны. Таксама сочыце, каб бруд не патрапіла ў алейныя і водныя каналы - гэта асабліва важна для ланцуга змазкі, паколькі нагар можа заблакаваць падачу алею да распредвалу і падшыпнікам коленвала ці каромыслам. З дапамогай ліпкай стужкі і паперы ізалюйце вадзяныя, алейныя каналы і адтуліны пад балты ў блоку цыліндраў. Аналагічнай выявай ачысціце галоўкі поршняў.
22. Праверце блок і галоўку на наяўнасць шчарбінак, глыбокіх драпін і іншых пашкоджанняў. Калі маюцца невялікія драпіны, іх можна акуратна выдаліць напільнікам. Больш сур'ёзнае пашкоджанне магчыма ўхіліць ператочваннем, але гэтую працу варта даручыць адмыслоўцу.
23. З дапамогай лінейкі, пастаўленай на рабро, праверце скрыўленне галоўкі блока цыліндраў. Калі неабходна, гл. Частку F гэтай часткі.
24. Ачысціце ўсе адтуліны пад балты ў блоку. Прасочыце, каб у іх не заставалася масла, інакш маецца верагоднасць таго, што пры зацягванні нітаў блок можа трэснуць пад дзеяннем гідраўлічнага ціску.
25. Агледзьце разьбярства нітаў і разьбярства ў блоку цыліндраў на наяўнасць пашкоджанняў. Калі неабходна, метчыкам падыходнага памеру абновіце разьбярства ў блоку і вінтарэзным плашчаком ачысціце разьбярства на нітах. Рэкамендуецца замяняць балты пасля кожнага іх зняцця.
Ўстаноўка
26. Праверце, каб сумяшчальныя паверхні блока цыліндраў і галоўкі былі бездакорна чыстыя, каб было чыстым і сухім разьбярства нітаў мацавання і каб яны лёгка ўкручваліся.
27. Пераканайцеся, што поршань №1 стаіць у ВМТ, і ўсталявальная пазнака на зорачцы распредвала сумешчаная з пазнакай на шчыце.
Папярэджанне: Калі распредвалы будуць няправільна змешчаныя, клапаны могуць уперціся ў поршні.
28. Усталюеце новую пракладку пад галоўку на блок цыліндраў, размяшчаючы яе на загваздках. Упэўніцеся, што яна правільна арыентавана.
29. Апусціце галоўку на цыліндраў, размяшчаючы яе на загваздках.
30. Злёгку вышмаруйце алеем ніты мацавання галоўкі блока цыліндраў. Устаўце балты, і зацісніце іх уручную.
31. У паказанай паслядоўнасці (гл. ілюстрацыю 11.29) зацісніце балты намаганнем, указаным у Спецыфікацыях для Стадыі 1. У той жа паслядоўнасці давярніце балты на паказаны ў Спецыфікацыях для Стадыі 2 кут.
32. Пачакайце тры хвіліны, затым паступова прыслабце цалкам усе балты ў паслядоўнасці, адваротнай іх зацяжцы. Гэта - Стадыя 3 і Стадыя 4.
33. Зноў ва ўказанай паслядоўнасці зацісніце балты высілкам, паказаным у Спецыфікацыях для Стадыі 5.
34. Канчаткова давярніце кожны ніт на паказаны ў Спецыфікацыях для Стадыі 6 кут. Ніякай паўторнай зацяжкі пасля прагрэву рухавіка не патрабуецца.
35. Усталюеце затамкавае вечка разам з новымі пракладкамі, і зацісніце ніты высілкам, рэгламентаваным Спецыфікацыямі.
36. Усталюйце кажух свечак запальвання на затамкавае вечка, і зацісніце ніты.
37. Замацуйце падтрымныя стойкі на впускным калектары.
38. Усталюйце радыятар як апісана ў Раздзеле 3, але не запаўняйце сістэму астуджэння на гэтым этапе.
39. Прымацуйце кранштэйны стартара да выпускнога калектара.
40. Усталюеце цеплаізаляцыйны шчыток выпускнога калектара.
41. Усталюйце кранштэйны генератара.
42. Усталюеце джгут правадоў, ідучы да рухавіка, і працэсарны блок сістэм упырску паліва/запальванні.
43. Падлучыце тросік педалі газу, кіруючыся адпаведнай Часткай Раздзела 4.
44. Усталюйце вечка размеркавальніка і свечкі запальвання, кіруючыся адпаведнай Часткай Раздзелаў 5 і 1.
45. Падлучыце шлангі вентыляцыі картэра.
46. Падлучыце якая адводзіць выхлапную трубу, выкарыстаючы новае колцавае ўшчыльненне.
47. Усталюеце зубчасты прывадны рамень, гл. Главу 6.
48. Усталюйце зборку паветранага фільтра, кіруючыся адпаведнай Часткай Раздзела 4.
49. Запоўніце рухавік алеем як апісана ў Раздзеле 1.
50. Запоўніце сістэму астуджэння як апісана ў Раздзеле 1.
51. Усталюйце капот як апісана ў Раздзеле 11.
52. Усталюйце акумулятар як апісана ў Раздзеле 5А.
