Заўвага: Пры ўсталёўцы запатрабуюцца новая пракладка галоўкі блока цыліндраў, пракладка затамкавага вечка і колцавае ўшчыльненне выпускнога клапана.
Зняцце
1. Зніміце акумулятар як апісана ў Раздзеле 5А.
2. Зніміце капот як апісана ў Раздзеле 11.
3. Зліце вадкасць з сістэмы астуджэння як апісана ў Раздзеле 1. Таксама зліце вадкасць з блока цыліндраў, адкручваючы зліўны корак на правай задняй сценцы рухавіка. Пасля злівання вадкасці ўсталюеце корак на месца.
4. Зліце маторнае масла як апісана ў Раздзеле 1. Усталюеце корак пасля злівання вадкасці, выкарыстоўваючы новую шайбу.
5. Зніміце зборку паветранага фільтра або впускной паветравод, кіруючыся адпаведнай Часткай Раздзела 4.
6. Зніміце зубчасты прывадны рамень, гл. Главу 5.
7. Зніміце зорачку распредвала, гл. Главу 7.
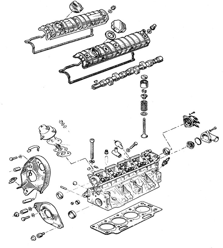
8. Адкруціце шчыт зубчастага прываднага рамяня ад правага канца галоўкі блока цыліндраў (гл. ілюстрацыю).
11.8. Выгляд галоўкі блока цыліндраў - рухавік F3Р.
9. Адлучыце тросік педалі газу, і перамесціце яго ў бок, кіруючыся адпаведнай Часткай Раздзела 4.
10. Адлучыце адводную выхлапную трубу ад калектара, кіруючыся адпаведнай Часткай Раздзела 4.
11. Калі неабходна, впускной і выпускны калектары можна зняць на гэтым этапе. Інакш, адлучыце розныя паліўныя, вакуумныя шлангі, шлангі сістэмы астуджэння і электрычную праводку ад корпуса дроселя і ад впускнога калектара (гл. адпаведную Частку Раздзела 4).
12. Зніміце свечкі запальвання і вечка размеркавальніка, кіруючыся адпаведнай Часткай Раздзелаў 1 і 5.
13. Адкруціце гайкі ад затамкавага вечка, і зніміце вечка з рухавіка. Прыбярыце пракладку.
14. Адлучыце провад ад датчыка тэмпературы ахладжаючай вадкасці на галоўцы блока цыліндраў. Таксама адлучыце электраправодку датчыка тэмпературы астуджальнай вадкасці сістэмы ўпырску паліва.
15. Дзе прымяняецца, адключыце шматкантактны злучальнік ад датчыка дэтанацыі на пярэдняй частцы галоўкі блока цыліндраў.
16. Адлучыце верхні шланг радыятара ад кажуха тэрмастата.
17. З дапамогай падыходнага шасціграннай гнязда прыслабце балты мацавання галоўкі блока цыліндраў, паварочваючы іх на паўабарота за адзін прыём, у зваротным да паказанага на ілюстрацыі 11.29 парадку. Затым зніміце ўсе балты.
18. Падніміце галоўку блока цыліндраў уверх з блока. Калі зрабіць гэта не атрымоўваецца, ударце па ёй драўлянай кіянкай.
Агляд
19. Сумяшчальныя паверхні галоўкі і блока цыліндраў павінны быць зусім чыстымі. З дапамогай скрабка выдаліце ўсе сляды пракладкі і нагару, а таксама ачысціце верхнія часткі поршняў. Працуйце асабліва асцярожна з алюмініевай галоўкай блока цыліндраў, бо мяккі метал можа быць лёгка пашкоджаны. Таксама сочыце, каб бруд не патрапіла ў алейныя і водныя каналы - гэта асабліва важна для ланцуга змазкі, паколькі нагар можа заблакаваць падачу алею да распредвалу і падшыпнікам коленвала ці каромыслам. З дапамогай ліпкай стужкі і паперы ізалюйце вадзяныя, алейныя каналы і адтуліны пад балты ў блоку цыліндраў. Аналагічнай выявай ачысціце галоўкі поршняў.
20. Праверце блок і галоўку на наяўнасць шчарбінак, глыбокіх драпін і іншых пашкоджанняў. Калі маюцца невялікія драпіны, іх можна акуратна выдаліць напільнікам. Больш сур'ёзнае пашкоджанне магчыма ўхіліць ператочваннем, але гэтую працу варта даручыць адмыслоўцу.
21. З дапамогай лінейкі, пастаўленай на рабро, праверце скрыўленне галоўкі блока цыліндраў. Калі неабходна, гл. Частку F гэтай часткі.
22. Ачысціце ўсе адтуліны пад балты ў блоку. Пасачыце, каб у іх не заставалася масла, інакш маецца верагоднасць таго, што пры зацягванні нітаў блок можа трэснуць пад дзеяннем гідраўлічнага ціску.
23. Агледзіце разьбу нітаў і разьбярства ў блоку цыліндраў на наяўнасць пашкоджанняў. Калі неабходна, метчыкам падыходнага памеру абновіце разьбярства ў блоку і вінтарэзным плашчаком ачысціце разьбярства на нітах. Рэкамендуецца замяняць балты пасля кожнага іх зняцця.
Ўстаноўка
24. Праверце, каб сумяшчальныя паверхні блока цыліндраў і галоўкі былі бездакорна чыстыя, каб было чыстым і сухім разьбярства нітаў мацавання і каб яны лёгка ўкручваліся.
25. Пераканайцеся, што поршань цыліндра №1 стаіць у ВМТ, і што распредвал знаходзіцца ў правільным становішчы (рабочыя паверхні кулачкоў цыліндра №1 накіраваны ўверх). Калі становішча распредвала іншае, клапаны могуць ударыць па поршнях.
26. Усталюеце новую пракладку пад галоўку на блок цыліндраў, размяшчаючы яе на загваздках і правільна арыентуючы.
27. Апусціце галоўку на блок цыліндраў.
28. Злёгку вышмаруйце алеем ніты мацавання галоўкі блока цыліндраў. Устаўце балты, і зацісніце іх уручную.
29. У паказанай паслядоўнасці (гл. ілюстрацыю) зацісніце балты высілкам зацяжкі, паказаным у Спецыфікацыях для Стадыі 1. Затым у той жа паслядоўнасці - для Стадыі 2.
11.29. Паслядоўнасць зацяжкі нітаў мацавання галоўкі блока цыліндраў - усе рухавікі F-серыі.
30. Пачакайце тры хвіліны, затым паступова прыслабце ўсе ніты ў паслядоўнасці, зваротнай іх зацяжцы, да іх поўнага вызвалення. Гэта - Стадыі 3 і 4.
31. Зноў ва ўказанай паслядоўнасці зацісніце балты высілкам зацяжкі, указаным у Спецыфікацыях для Стадыі 5.
32. Канчатковая зацяжка выконваецца, даварочваннем нітаў на кут, паказаны ў Спецыфікацыях для Стадыі 6 (гл. ілюстрацыю).
11.32. Даварочванне нітаў мацавання галоўкі блока цыліндраў - рухавік F3P.
Паўторна зацягваць балты пасля прагрэву рухавіка няма неабходнасці.
33. Падлучыце верхні шланг радыятара да кажуха тэрмастата, і зацісніце хамут.
34. Дзе прымяняецца, падключыце злучальнік датчыка дэтанацыі.
35. Падлучыце датчыкі тэмпературы астуджальнай вадкасці.
36. Усталюйце затамкавую крышку, выкарыстоўваючы новую пракладку, і зацісніце гайкі.
37. Усталюйце свечкі запальвання і вечка размеркавальніка, кіруючыся адпаведнай Часткай Часткаў 1 і 5.
38. Усталюйце впускной і выпускны калектары (калі яны былі выдаленыя), кіруючыся адпаведнай Часткай Раздзела 4. Або падлучыце розныя шлангі і праводку да ўпускнога калектара і да корпуса дроселя.
39. Падлучыце якая адводзіць выхлапную трубу, выкарыстаючы новае колцавае ўшчыльненне.
40. Падлучыце тросік педалі газу, кіруючыся адпаведнай Часткай Раздзела 4.
41. Усталюеце шчыток зубчастага прываднага рамяня на правы бок галоўкі блока цыліндраў.
42. Усталюйце зорачку распредвала, гл. Главу 7.
43. Усталюеце зубчасты прывадны рамень, гл. Главу 5.
44. Праверце зазоры клапанаў, калі неабходна (Кіраўнік 4).
45. Усталюйце паветраны фільтр або впускной паветравод.
46. Запоўніце рухавік алеем як апісана ў Раздзеле 1.
47. Запоўніце сістэму астуджэння як апісана ў Раздзеле 1.
48. Усталюйце капот (гл. Раздзел 11).
49. Падлучыце праводку акумулятара.
