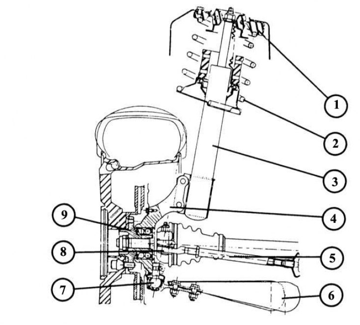
Выгляд спераду пярэдняй падвескі ў разрэзе
1 - верхняе мацаванне стойкі амартызатара; 2 - шрубавая спружына; 3 - стойка амартызатара ў зборы; 4 - рулявая паваротная апора; 5 - цяга рулявой трапецыі з ушчыльняльнай абшэўкай; 6 - папярочны рычаг незалежнай падвескі; 7 - шаравой шарнір папярочнага рычага; 8 - наканечнік папярочнай рулявой цягі; 9 - ступица кола.
Многія вузлы пярэдняй падвескі можна разбіраць і рамантаваць самастойна. Аднак для некаторых прац неабходна выкарыстоўваць прылады, якія маюцца толькі ў аўтамайстэрні.
Пашкоджаныя элементы падвескі нельга самастойна выправіць, а трэба іх проста замяніць.
1. У стаялай на грунце машыны адкруціце злева і справа гайкі мацавання стабілізатара ад папярочнага рычага падвескі.
2. Прыпадніміце машыну спераду і зафіксуйце, пры неабходнасці зніміце колы.
3. Зніміце пярэднюю выхлапную трубу (штаны) выпускнога калектара глушыцеля.
4. Зніміце цягу кіравання, прыслабіўшы ніт, з рычага пераключэння перадач.
5. Перад гэтым пазначце становішча цягі кіравання адносна рычага пераключэння перадач, інакш прыйдзецца праводзіць рэгуляванне прылады пераключэння перадач.
6. Прыслабце абедзве суппортныя клямкі трымальніка на падоўжнай бэльцы дапаможнай рамы.
7. Зніміце стабілізатар папярочнай устойлівасці і разбярыце гумовую апору.
8. Перад усталёўкай гумовай апоры вышмаруйце яе сродкам MoS2.
9. Усталюйце стабілізатар папярочнай устойлівасці.
10. Спачатку закруціце ўсе мацаванні ад рукі.
11. Усталюйце выхлапную трубу.
12. Усталюйце цягу кіравання на рычаг пераключэння перадач і - калі яе становішча не было пазначана пры разборцы - адрэгулюйце пры неабходнасці.
13. Апусціце аўтамабіль і зацягніце ўсе мацаванні момантам 35 Н·м.
Зняцце папярочнага рычага незалежнай падвескі
1. У стаялай на грунце машыны адкруціце злева і справа гайкі мацавання стабілізатара ад папярочнага рычага падвескі.
2. Прыпадніміце пярэднюю частку аўтамабіля, зафіксуйце і зніміце адпаведнае кола.
3. Адхіліце стабілізатар папярочнай устойлівасці ўніз.
4. Адкруціце стопарны ніт шаравога шарніра папярочнага рычага ад рулявой паваротнай апоры.
5. Выцісніце сферычную галоўку з рулявой паваротнай апоры (пры неабходнасці здымнікам).
6. Адкруціце 2 ніты з гайкамі ад дапаможнай рамы рухавіка (пазначце паслядоўнасць зняцця!).
7. Зніміце папярочны рычаг з восі трымальніка.
8. Пры ўсталёўцы заўсёды выкарыстоўвайце новыя самаконтраюцца гайкі.
9. Пры зносе ўтулак (сайлентблокаў) іх неабходна замяніць (у аўтамайстэрні).
10. Дэфармаваны папярочны рычаг неабходна замяняць цалкам, бо яго нельга выпраўляць.
11. Устаўце ніт-вось у папярочны рычаг незалежнай падвескі разьбой наперад.
12. Зацягніце гайку ніта момантам 75 Н·м. Пры гэтым прытрымвайце ніт ключом са зваротнага боку і закручвайце гайку.
13. Зацягніце шаравой шарнір на рулявой паваротнай апоры момантам 55 Н·м.
14. Усталюеце стабілізатар папярочнай устойлівасці.
15. Апусціце аўтамабіль.
16. Праверце сход-развал і пры неабходнасці адрэгулюйце яго.
Зняцце стойкі амартызатара
1. Прыслабце верхняе мацаванне стойкі амартызатара (2 ніта). Для спрашчэння наступнай зборкі пазначце становішча крапяжу ўсталёўкі ва ўсталявальных адтулінах. Заднія адтуліны - гэта кропкі мацавання для транспартных сродкаў з сервапрывадам рулявога механізму, перадпакоі - для транспартных сродкаў без сервапрывада.
2. Прыпадніміце транспартны сродак, зафіксуйце і зніміце кола ці, адпаведна, колы.
3. Для абароны вонкавай ушчыльняльнай абшэўкі шарніра ўстаўце драўляны клін паміж ушчыльняльнай абшэўкай і ніжнім канцом мацавання амартызатара.
4. Адкруціце абодва ніта мацавання амартызацыйнай стойкі з рулявой паваротнай апоры (пазначце становішча крапяжу!).
5. Апускайце рулявую паваротную апору ўніз датуль, пакуль не вызваліцца стойка амартызатара. Пры гэтым адхіляйце паваротную апору роўна настолькі, наколькі гэта неабходна, каб не пашкодзіць шарніры роўных кутніх хуткасцяў (Шрус).
6. Для абароны карданных шарніраў прывада падапрыце папярочныя рычагі знізу або падвяжыце іх дротам да колавай аркі.
7. Пры мантажы выкарыстоўвайце правільныя ўсталявальныя адтуліны і зацягніце верхнія гайкі мацавання (25 Н·м), толькі калі рулявая паваротная апора з нагой спружыны зафіксаваны ў правільным становішчы. Галоўкі нітаў мацавання павінны глядзець наперад, і іх неабходна зацягваць момантам 110 Н·м.
Зняцце спружыны і амартызатара
Стойка амартызатара
1 - нацяжная пліта; 2 - верхняя апора спружыны; 3 - абмежавальнік ходу спружыны; 4 - ніжняя апора спружыны; 5 - апора на паваротнай цапфе; 6 - пылаахоўная абшэўка; 7 - стойка амартызатара ў зборы; 8 - рулявая паваротная апора. Для палягчэння зборкі неабходна пазначаць месца ўстаноўкі.

Для палягчэння наступнай усталёўкі Вы абавязкова павінны адзначыць, у якіх прыёмных адтулінах была ўмацаваная стойка амартызатара, інакш можна парушыць усю геаметрыю кола і рулявога кіравання. Мацаванне стойкі амартызатара "1" прызначана для аўтамабіляў з сервапрывадам рулявога механізму, мацаванне стойкі амартызатара "2" прызначана для стоек аўтамабіляў без сервапрывада рулявога механізму.
Для гэтага патрабуецца нацяжная прынада (інструмент Renault Sus.1052) ці, як мінімум, 2 стандартных стяжных прыстасаванні для шрубавай спружыны. Без іх існуе небяспека, што моцна сцягнутая шрубавая спружына пасля паслаблення цэнтральнага крапежнага ніта рэзка выскачыць са свайго мацавання. Будзьце асцярожныя, вельмі высокая верагоднасць траўмы!
1. Зніміце стойку амартызатара.
2. Зацісніце стойку амартызатара ў ціскі (не забудзьцеся пра ахоўныя шчочкі) і павольна сцягніце яе стяжным прыстасаваннем датуль, пакуль не разгрузяцца талерчатыя дыскі (каля 10 мм). Каб спружына сціскалася раўнамерна, сцягі
3. вайте стяжное прыстасаванне, закручваючы яго па чарзе з розных бакоў. Пры гэтым сочыце за тым, каб спружына сапраўды сядзела ў сцяжной прынадзе.
4. Выдаліце верхняе кольца штока поршня.
5. Зніміце са стойкі амартызатара талерчатую кружэлку, апору на паваротнай цапфе, апору спружыны, пылаахоўную абшэўку і абмежавальнік.
6. Калі спружыну неабходна замяніць, то павольна расцісніце яе. Калі неабходна замяніць толькі амартызатар, то пакіньце спружыну сціснутай.
7. Пры зборцы звернеце ўвагу на тое, каб апоры спружыны былі чыстымі.
8. Праверце амартызатар. Ён павінен пры сціску і расцяжэнні рухацца раўнамерна, цяжка і без штуршкоў. На невялікую колькасць якая выцекла амартызатарнай вадкасці можна не зважаць.
9. Пры зборцы верхняй апоры спружыны сачыце за тым, каб падшыпнік сядзеў правільна і не быў перакошаны.
10. Усталюйце новае (!) упартае верхняе кольца.
11. Павольна прыслабце спружыну.
Заўвага. Рэкамендацыя: пры замене спружыны абавязкова звернеце ўвагу на правільнасць маркіроўкі спружыны. Яна нанесена на вітках спружыны.
