2. Добра ачысціце паверхню вакол коркі папаўняльнага бачка галоўнага тармазнога цыліндру і злучэнняў трубаправода тармазнога прывада, адкруціце корак і адпампуйце тармазную вадкасць з бачка. 3 Расхітайце бачок і выміце яго з галоўнага тармазнога цыліндру.
4. Зніміце накідныя гайкі трубаправодаў тармазнога прывада і абедзве гайкі мацавання галоўнага тармазнога цыліндру. Пры гэтым заўважце, дзе мацуюцца асобныя злучэнні і асцярожна зніміце цыліндр.
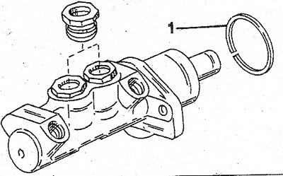
5. Устаноўку праводзіце ў зваротнай паслядоўнасці. Усталюеце ўшчыльняльнае кольца (гл. ілюстрацыю).
3.5 Усталяванае на фланцы галоўнага тармазнога цыліндру ўшчыльняльнае кольца (1) заўсёды павінна змяняцца на новае
6. Калі змяняўся ўзмацняльнік тармазнога прывада, вымерайце які выступае бок штангі штурхача на канцы агрэгата. Для гэтага вымерайце адлегласць ад краю штангі штурхача да ўсталявальнай паверхні цыліндру, якое адзначана "X" (гл. ілюстрацыю). У выпадку, калі гэтая велічыня не складае 22.3 мм, гл. Главу 19 гэтай часткі. Гэтую адлегласць адрэгуляваць нельга.
3.6 Каб вызначыць велічыню "X", з дапамогай маца вымерайце адлегласць ад канца штангі штурхача (1) да апорнай стойкі
7. Накідныя гайкі трубаправодаў тармазнога прывада і гайку цыліндру зацягніце высілкам 13 Нм.
8. Усталюйце пажыўны бачок, заліце ў сістэму свежую тармазную вадкасць і выдаліце паветра з тармазной сістэмы як апісана ў главе 18.
