Заўвага: Падвешванні рухавіка сапраўды размешчаны пры вырабе аўтамабіля на заводзе. Перад здыманнем важна адзначыць дакладнае становішча кожнага падвешвання, каб забяспечыць правільнае размяшчэнне рухавіка/скрынкі перадач.
Агляд
1. Зацягніце ручны тормаз, затым паддам кратце перадпакой частка аўтамабіля, і ўсталюеце яе на восевыя падпоркі.
2. Візуальна агледзіце гумовыя падушкі на падвешваннях рухавіка/трансмісіі на наяўнасць расколін і забруджванняў. Вызначыце стан гумавых падушак. Калі маецца празмернае рух падвешвання, ці калі пагоршыўся стан гумы, падвешванне варта замяніць.
Замена
Правае падвешванне
3. Адкруціце шрубу, і зніміце пластыкавае вечка з верхняй часткі падвешвання (гл. ілюстрацыі).
18.3а. Адкруціце шрубу...
18.3 b....і зніміце вечка - рухавік F3P.
18.3с. Зніміце вечка...
18.3d....каб атрымаць доступ да гаек верхняга мацавання - рухавік F3P (з 16 клапанамі).
4. Адзначце становішча падвеса фарбай.
5. Адкруціце гайку, і зніміце шайбу.
6. Падтрымайце вагу рухавіка, зачапіўшы лябёдку за правы мантажны вуш, або падставіўшы дамкраты драўляным бруском пад паддонам.
7. Адкруціце верхні кранштэйн ад кранштэйна вечка прывада на канцы галоўкі блока цыліндраў.
8. Адкруціце кранштэйны ніжняга мацавання і абмежавальнік руху ад кузава (гл. ілюстрацыю).
18.8. Правае падвешванне рухавіка: З - Корпус; Да - Абмежавальнік вертыкальнага руху; 6 - Гумовая падушка; 7 - Абмежавальнік падоўжнага руху.
9. Усталюйце новыя кампаненты, дзейнічаючы ў зваротным зняцці парадку, але не заціскайце мантажныя гайкі і балты. Нарэшце, выканайце працэдуру рэгулявання падвешванняў, як апісана далей у гэтым раздзеле.
Кранштэйны трансмісіі
10. Зніміце акумулятар як апісана ў Раздзеле 5А.
11. Падтрымайце трансмісію дамкратам ці лябёдкай.
12. Адзначце становішча падвеса фарбай.
13. Адкруціце цэнтральную гайку і дзве гайкі, якія мацуюць апорную мантажную пляцоўку да верхняга кранштэйна (гл. ілюстрацыю).
18.13. Цэнтральная гайка і мантажныя гайкі калодкі падвеса каробкі перадач.
14. Адкруціце верхні кранштэйн ад кузава, і зніміце апорную мантажную пляцоўку (гл. ілюстрацыі).
18.14а. Адкруціце задні ніт ад верхняга кранштэйна скрынкі перадач.
18.14b. Пярэдні ніт верхняга кранштэйна скрынкі перадач (адзначаны стрэлкай).
18.14с. Ніжні ніт верхняга кранштэйна скрынкі перадач (адзначаны стрэлкай).
15. Калі неабходна, адкруціце ніжні кранштэйны ад трансмісіі.
16. Вырабляйце ўстаноўку ў зваротным парадку, але не заціскайце мантажныя гайкі і балты. Нарэшце, выканайце працэдуру рэгулявання падвешванняў, як апісана далей у гэтым раздзеле.
Задняе падвешванне/ніжняя сувязь
17. Працуючы пад аўтамабілем, адкруціце ніты, якія мацуюць апорны відэлец задняга падвешвання да кранштэйнаў на падматорнай раме і блоку цыліндраў. Дастаньце сувязь з-пад аўтамабіля.
18. Калі неабходна, адкруціце і зніміце кранштэйны.
19. Вырабляйце ўстаноўку ў зваротным парадку, але не заціскайце балты. Нарэшце, выканайце працэдуру рэгулявання падвешванняў, як апісана далей у гэтым раздзеле.
Рэгулёўка
20. Калі замяняецца толькі адно падвешванне, усталюеце новы ў тое ж самае становішча, якое займаў стары. Калі было заменена некалькі падвешванняў, злёгку прыпадніміце рухавік на лябёдцы, прыслабце ўсе мантажныя ніты і выканаеце наступную працэдуру.
Кранштэйны трансмісіі
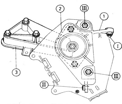
21. Кіруючыся ілюстрацыяй 14.21 з Часткі З гэтага Раздзела, зацісніце верхнюю гайку (I) і ніжні мантажны ніт (II) момантам 3 Нм. Зацісніце два верхніх мантажных ніта (III) момантам 20 Нм, затым паўторна зацісніце гайку (I) і ніт (II) момантам 3 Нм.
14.21. Кампаненты кранштэйна трансмісіі і іх рэгуляванне. I, II і III гл. у тэксце: 1 - Верхняе падвешванне/пляцоўка пад акумулятар; 2 - Гумовая падушка; 3 - Кранштэйны трансмісіі (ніжні).
22. Пры змешчаных у працоўным становішчы кранштэйне трансмісіі, ніжнім кранштэйне і правым падвешванні пераканайцеся, што мантажныя ніты вольныя.
23. Зніміце правае пярэдняе кола, затым выдаліце пластмасавую панэль з аркі кола, каб атрымаць доступ да шківа коленвала. На рухавіках з 8 клапанамі праверце, каб паміж шківам коленвала і бокам кузава побач са стрыжнем была адлегласць не меней 36.5 мм (мадэлі без рулявога гідраўзмацняльніка) ці не менш за 34 мм (мадэлі з паветраным кандыцыянерам або рулявым гідраўзмацняльнікам) (гл. ілюстрацыю).
18.23. Праверка зазору паміж шківам коленвала і які ўзмацняе стрыжнем пры рэгуляванні становішча падвешвання рухавіка.
На рухавіках з 16 клапанамі праверце, каб паміж пластыкавым вечкам на шківе коленвала і краем кузава побач са стрыжнем была адлегласць не меней 29 мм. Звярніце ўвагу, што гэты зазор без уліку таўшчыні прыкладзенай да шківа лінейкі.
24. Падтрымліваючы велічыню гэтага зазору, адцэнтруйце калодку кранштэйна скрынкі перадач у падоўжным кірунку ў верхнім кранштэйне/пляцоўцы акумулятара. Зацісніце мантажныя гайкі і балты.
Правае падвешванне
25. Адкруціце верхні кранштэйн, калі ён быў усталяваны на месца. Вымерайце адлегласць паміж вонкавым краем корпуса абмежавальніка руху і цэнтрам мантажнай шпількі (гл. ілюстрацыю).
18.25. Праверка адлегласці паміж вонкавым краем корпуса абмежавальніка руху і цэнтрам шпількі.
26. Усталюйце верхні кранштэйны, і зацісніце балты мацавання намаганнем зацяжкі, рэгламентаваным Спецыфікацыямі.
27. Пры вольных нітах мацавання кранштэйна ніжняга мацавання і абмежавальніка руху, апусціце лябёдку, каб рухавік/трансмісія абаперліся на падвешванні. Зноў вымерайце адлегласць паміж вонкавым краем корпуса абмежавальніка руху і цэнтрам мантажнай шпількі (гл. ілюстрацыю 18.25). Калі неабходна, адрэгулюйце падвешванне. Зацісніце два ніжніх ніта кранштэйна намаганнем зацяжкі, рэгламентаваным Спецыфікацыямі.
28. Пакідаючы ніты вольнымі, адцэнтруйце абмежавальнік у межах адтуліны ў верхнім кранштэйне так, каб абапал быў аднолькавы зазор. Зацісніце мантажныя балты абмежавальніка намаганнем зацяжкі, рэгламентаваным Спецыфікацыямі.
29. Працуючы пад аўтамабілем, усталюеце апорны відэлец задняга падвешвання і зацісніце балты высілкам зацяжкі, рэгламентаваным Спецыфікацыямі.
30. Праверце ўказаную ў пункце 27 адлегласць на правым падвешванні, і адрэгулюйце калі неабходна.
