Заўвага: Падвешванні рухавіка сапраўды размешчаны пры вырабе аўтамабіля на заводзе. Перад здыманнем важна адзначыць дакладнае становішча кожнага падвешвання, каб забяспечыць правільнае размяшчэнне рухавіка/скрынкі перадач.
Агляд
1. Зацягніце ручны тормаз, затым паддам кратце перадпакой частка аўтамабіля, і ўсталюеце яе на восевыя падпоркі.
2. Візуальна агледзіце гумовыя падушкі на падвешваннях рухавіка/трансмісіі на наяўнасць расколін і забруджванняў (гл. ілюстрацыю).
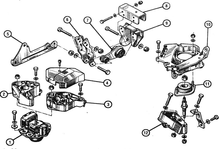
14.2. Крапежныя дэталі рухавіка/скрынкі перадач: 1 - Зборка правага ніжняга кранштэйна/гумовай падушкі/абмежавальніка руху; 2 - Правы верхні кранштэйны (першы тып); 3 - Правы верхні кранштэйны (другі тып); 4 - Вечка; 5 - Задні кранштэйны; 6 - Задні кранштэйны; 7 - Ніжняя сувязь; 8 - Задні кранштэйны; 9 - Задні кранштэйны; 10 - Верхні кранштэйны каробкі перадач/пляцоўка для акумулятара; 11 - Гумовая падушка кранштэйна каробкі перадач; 12 - Ніжні кранштэйны падвешвання скрынкі перадач.
Вызначыце стан гумавых падушак. Калі маецца празмернае рух падвешвання, ці калі пагоршыўся стан гумы, падвешванне варта замяніць.
Замена
Правае падвешванне
3. Адкруціце шрубу, і зніміце пластыкавае вечка з верхняй часткі падвеса. Звярніце ўвагу, што вечка ўтрымлівае тросік педалі газу.
4. Адзначце становішча мацавання фарбай (напрыклад на шайбе пад цэнтральнай гайкай і вакол кранштэйна ніжняга мацавання).
5. Адкруціце гайку, і зніміце шайбу.
6. Падтрымайце вагу рухавіка лябёдкай, зачапіўшы яе за правы мантажны вуш, або ўсталюеце дамкрат пад паддон, праклаўшы паміж імі драўляны брусок.
7. Адкруціце верхні кранштэйн ад кранштэйна вечка прывада на канцы галоўкі блока цыліндраў.
8. Адкруціце кранштэйны ніжняга мацавання і абмежавальнік руху ад кузава.
9. Усталюйце новыя кампаненты, дзейнічаючы ў зваротным зняцці парадку, але не зацягвайце мантажныя гайкі і ніты. Нарэшце, выканайце працэдуру рэгулявання падвешванняў, як будзе апісана пазней у гэтым раздзеле.
Кранштэйны трансмісіі
10. Зніміце акумулятар як апісана ў Раздзеле 5А.
11. Падтрымайце трансмісію дамкратам ці лябёдкай.
12. Адзначце становішча мантажнай пляцоўкі.
13. Адкруціце цэнтральную гайку і дзве гайкі, якія мацуюць мантажную пляцоўку да верхняга кранштэйна.
14. Адкруціце верхні кранштэйн ад кузава, і зніміце мантажную пляцоўку.
15. Калі неабходна, адкруціце ніжні кранштэйны ад скрынкі перадач.
16. Вырабляйце ўстаноўку ў зваротным парадку, але не зацягвайце мантажныя гайкі/балты. Нарэшце, выканайце працэдуру рэгулявання падвешванняў, апісаную далей у гэтым раздзеле.
Задняе падвешванне/ніжняя сувязь
17. Працуючы пад аўтамабілем, адкруціце ніты, якія мацуюць апорны відэлец задняга падвешвання да кранштэйнаў на падматорнай раме і блоку цыліндраў. Дастаньце сувязь з-пад аўтамабіля.
18. Калі неабходна, адкруціце балты і зніміце кранштэйны (гл. ілюстрацыю).
14.18. Адкруціце задні кранштэйны падвеса рухавіка.
19. Вырабляйце ўстаноўку ў зваротным парадку, але не зацягвайце мантажныя балты. Нарэшце, выканайце працэдуру рэгулявання падвешванняў, апісаную далей у гэтым раздзеле.
Рэгулёўка
20. Калі замяняецца толькі адно падвешванне, усталюеце новы ў тое ж самае становішча, якое займаў стары. Калі было заменена некалькі падвешванняў, злёгку прыпадніміце рухавік на лябёдцы, прыслабце ўсе мантажныя ніты і выканаеце наступную працэдуру.
Кранштэйны трансмісіі
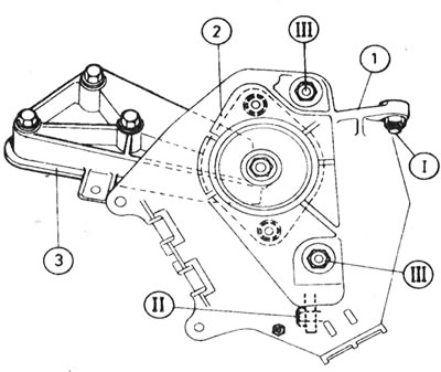
21. Кіруючыся ілюстрацыяй, папярэдне зацісніце верхнюю гайку (I) і ніжні мантажны ніт (II) момантам 3 Нм. Зацісніце два верхніх мантажных ніта (III) момантам 20 Нм, затым паўторна зацісніце гайку (I) і ніт (II) момантам 3 Нм (гл. ілюстрацыю).
14.21 Кампаненты кранштэйна трансмісіі і іх рэгуляванне. I, II і III гл. у тэксце: 1 - Верхняе падвешванне/пляцоўка пад акумулятар; 2 - Гумовая падушка; 3 - Кранштэйны трансмісіі (ніжні).
22. Пры змешчаных у працоўным становішчы кранштэйне трансмісіі, ніжнім кранштэйне і правым падвешванні пераканайцеся, што мантажныя ніты вольныя.
23. Зніміце правае пярэдняе кола, затым выдаліце пластмасавую панэль з аркі кола, каб атрымаць доступ да шківа каленаў вала. Праверце, каб паміж шківам коленвала і бокам кузава побач са стрыжнем была адлегласць не меней 48 мм (мадэлі без рулявога гідраўзмацняльніка) ці не менш за 32 мм (мадэлі з рулявым гідраўзмацняльнікам) (гл. ілюстрацыю).
14.23. Праверка зазору паміж шківам коленвала і краем кузава. Значэнне Y гл. у тэксце; Т - Стрыжань.
Звярніце ўвагу, што гэты зазор без уліку таўшчыні прыкладзенай да шківа лінейкі.
24. Падтрымліваючы велічыню гэтага зазору, адцэнтруйце калодку кранштэйна скрынкі перадач у падоўжным кірунку ў верхнім кранштэйне/пляцоўцы акумулятара. Зацісніце мантажныя гайкі і балты.
Правае падвешванне
25. Адкруціце верхні кранштэйн. Вымерайце адлегласць "Y" паміж вонкавым краем ніжняга кранштэйна і цэнтрам яго стойкі (гл. ілюстрацыю).
14.25. Праверце зазор (Y) паміж вонкавым краем ніжняга кранштэйна і цэнтрам яго стойкі: 5 - Верхні кранштэйны (для першага вымярэння адкручаны); 6 - Ніжні кранштэйны.
26. Усталюйце верхні кранштэйны, і зацісніце балты высілкам зацяжкі, рэгламентаваным Спецыфікацыямі.
27. Пры вольных нітах мацавання кранштэйна ніжняга мацавання і абмежавальніка руху, апусціце лябёдку, каб рухавік/трансмісія абаперліся на падвешванні. Зноў вымерайце адлегласць "Y" (гл. ілюстрацыю 14.25). Калі неабходна, адрэгулюйце падвешванне так, каб памер застаўся такім жа, які ён быў раней. Зацісніце два ніты ніжняга кранштэйна высілкам зацяжкі, рэгламентаваным Спецыфікацыямі.
28. Пакідаючы ніты вольнымі, адцэнтруйце абмежавальнік у межах адтуліны ў верхнім кранштэйне так, каб абапал быў аднолькавы зазор. Зацісніце мантажныя балты абмежавальніка намаганнем зацяжкі, рэгламентаваным Спецыфікацыямі.
29. Працуючы пад аўтамабілем, усталюеце апорны відэлец задняга падвешвання і зацісніце балты высілкам зацяжкі, рэгламентаваным Спецыфікацыямі.
30. Пераправерце адлегласць "Y" (гл. ілюстрацыю 14.25) на правым падвешванні, і адрэгулюйце калі неабходна.
