- Купіце ці пазычыце які адпавядае тахометр.
- Даручыце працу дылеру Renault ці іншаму адмыслоўцу.
- Выкарыстоўвайце параўнальны метад. Стробаскоп кіруецца бензінавага рухавіка, які працуе на пажаданай хуткасці. Калі страбаскоп накіраваць на пазнаку на зорачцы распредвала ці паліўнай помпы, пазнака будзе здавацца нерухомай, калі частата кручэння абодвух рухавікоў аднолькавая (або кратная цэлым ліку). Шків будзе круціцца з паловай хуткасцю коленвала, але гэта не будзе ўплываць на рэгуляванне.
2. Перад пачаткам рэгулявання, выгрэйце рухавік да нармальнай працоўнай тэмпературы (вентылятар астуджэння павінен уключыцца па меншай меры двойчы). Пераканайцеся, што тросік педалі газу адрэгуляваны правільна (гл. Главу 5).
Праверка і рэгуляванне частаты халастога ходу
3. Калі рычаг газу дакранаецца абмежавальніка халастога ходу, частата - халастога ходу рухавіка павінна адпавядаць паказанаму ў Спецыфікацыях значэнню (гл. Спецыфікацыі). Калі неабходна, адрэгулюйце яе наступным чынам. Паліўная помпа Lucas
4. Прыслабце контргайку на шрубе рэгулявання частаты халастога ходу. Круціце шрубу, і зацягніце контргайку (гл. ілюстрацыю).
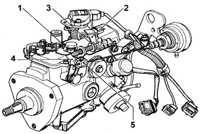
18.4. Рэгулявальныя шрубы частаты халастога ходу і частоты запаволення - помпа Lucas: 1 - Вінт рэгулявання частаты халастога ходу; 2 - Рычаг газу; 3 - Вінт рэгулявання частаты запаволення; 4 - Рычаг паскоранага халастога ходу; 5 - Наканечнік тросіка паскоранага халастога ходу.
5. Праверце рэгуляванне частаты запаволення як апісана пазней у гэтым раздзеле.
6. Заглушыце рухавік і адлучыце тахометр.
Паліўная помпа Bosch
7. Прыслабце контргайку і адкруціце шрубу рэгулявання частаты запаволення, пакуль ён не кране рычага газу на помпе (гл. ілюстрацыю).
18.7. Вінт рэгулявання частаты халастога ходу (1) і шруба рэгулявання частаты запаволення (2) – помпа Bosch.
8. Прыслабце контргайку і круціце шрубу рэгулявання частаты халастога ходу, затым паўторна зацягніце контргайку.
9. Праверце частату запаволення як апісана пазней у гэтым раздзеле.
10. Выключыце рухавік і адлучыце тахометр.
Праверка і рэгуляванне частаты запаволення
11. Упэўніцеся, што рухавік прагрэты да нармальнай працоўнай тэмпературы (вентылятар павінен уключыцца прынамсі двойчы), каб частата халастога ходу адпавядала паказанай у Спецыфікацыях.
Паліўная помпа Lucas
12. Устаўце пракладку або мац таўшчынёй 4.0 мм паміж рычагом газу на помпе і шрубай рэгулявання.
13. Частата кручэння рухавіка павінна павялічыцца да паказанай у Спецыфікацыях частаты запаволення (гл. Спецыфікацыі).
14. Калі неабходна рэгуляванне, аслабляць контргайку, і круціце шрубу рэгулявання, затым зноў зацягніце контргайку.
15. Зніміце пракладку або мац, і праверце частату халастога ходу як апісана вышэй.
16. Перамясціце рычаг газу на помпе, каб павялічыць частату кручэння рухавіка да 3000 аб/мін, затым хутка адпусціце яго. Час запаволення павінна быць у межах 2.5-3.5 секунды, і частоты кручэння рухавіка павінна зваліцца прыблізна да значэння на 50 аб/мін ніжэй халастога ходу.
17. Калі запаволенне занадта хуткае і рухавік глухне, укруціце шрубу рэгулявання запаволення на 1/4 абарачэння да рычага газа. Калі запаволенне малое, круціце шрубу на 1/4 абарачэння ад рычага.
18. Паўторна зацягніце контргайку, затым праверце і адрэгулюйце частату халастога ходу як апісана вышэй.
19. У заключэнне, адлучыце тахометр.
Паліўная помпа Bosch
20. Устаўце пракладку або мац таўшчынёй 4.0 мм паміж рычагом газу на помпе і шрубай рэгулявання частаты запаволення (гл. ілюстрацыю).
18.20. Праверка рэгулявання частаты запаволення - помпа Bosch: 2 - Шчуп; 3 - Вінт рэгулявання частаты запаволення.
21. Частата кручэння рухавіка павінна павялічыцца да паказанай у Спецыфікацыях частаце запаволення (гл. Спецыфікацыі).
22. Калі неабходна рэгуляванне, прыслабце контргайку і круціце шрубу рэгулявання частаты запаволення. У заключэнне зацягніце контргайку.
23. Зніміце пракладку або мац, і дазвольце рухавіку працаваць на халастым ходу.
24. Перамясціце рычаг паскоранага халастога ходу да ўпора да махавік і пераканайцеся, што частата кручэння рухавіка павялічылася да паказанай у Спецыфікацыях падвышанай частаты халастога ходу. Калі неабходна, прыслабце контргайку, і круціце рэгулявальную шрубу паскоранага халастога ходу, затым паўторна зацягніце контргайку.
25. У заключэнне адлучыце тахометр і выключыце рухавік.
26. Пасля выканання рэгулявання, амартызатар запаволення неабходна адрэгуляваць наступным чынам.
27. Прыслабце два шрубы, якія мацуюць кіраўнік рычаг амартызатара да рычага газу.
28. Устаўце пракладку або мац таўшчынёй 1.0 мм паміж кіраўніком рычагом запаволення і канцом амартызатара, затым ссуньце рычаг да абмежавальніка. Пераканайцеся, што рычаг газу тычыцца шрубы рэгулявання частаты запаволення, затым зацісніце два шрубы мацавання.
29. Зніміце пракладку і пераканайцеся, што рычаг газу дакранаецца шрубы рэгулявання частаты запаволення.
