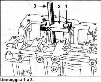
Усталёўка фарсунак для астуджэння дн поршняў
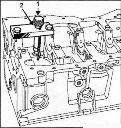
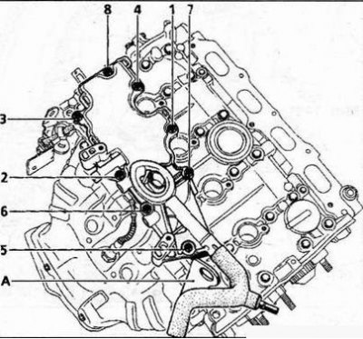
1. Усталюйце на блок пласціну (2) прыстасаванні Mot. 1494, не зацягваючы два ніты мацавання (1).
2. Для цэнтроўкі пласціны ўсталюеце кандуктар (3) у пласціну (2) (канец кандуктара павінен увайсці ў адтуліну пад фарсунку).
3. Зацягніце два ніты мацавання (1).
4. Выміце кандуктар.



Увага! Звярніце ўвагу на кірунак усталёўкі фарсункі. Наканечнік (1) фарсункі павінен быць накіраваны да цэнтра цыліндру.
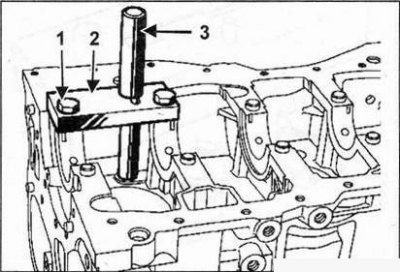
6. Усталюйце апраўку замест кандуктара.
7. Вырабіце некалькі ўдараў малатком па апраўцы да судотыку канта (2) апраўкі (1) з апорай.

Цыліндры 1 і 3.

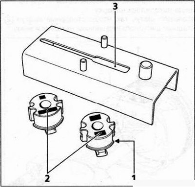
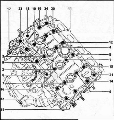
8. Праверце, ці правільна арыентаваны фарсункі для ахаладжэння дн поршняў. Пазнака (1) адпавядае фарсункам цыліндраў 2 і 4, пазнака (2) адпавядае фарсункам цыліндраў 1 і 3.

Ўстаноўка поршневых пальцаў
Поршневай палец:
- Даўжыня - 61,7-62 мм
- Вонкавы дыяметр - 19,986-19,991 мм
- Унутраны дыяметр - 11,6 (макс) мм
Поршневыя пальцы шчыльна запрасоўваюцца ў верхнія галоўкі бадзягаў і маюць якая плавае пасадку ў поршнях. Для запрэсоўкі поршневых пальцаў выкарыстоўвайце камплект прынад Mot.574-22, які змяшчае:
- падстаўку для поршня (S);
- апраўку для вымання пальцаў (1);
- усталявальныя стрыжні (А) з цэнтравальнымі прынадамі (З).

Падрыхтоўка шатуноў
- Восевы зазор шатуна на шыйцы каленчатага вала - 0,31 - 0,604 мм
- Адлегласць паміж восямі поршневай і кривошипной галовак шатуна - 128 + 0,035 мм
- Дыяметр кривошипной галоўкі шатуна - 48,5±0,25 мм
- Дыяметр поршневай галоўкі шатуна - 19,945 - 19,958 мм
Увага! Не выкарыстоўвайце керн, каб пазначыць вечкі і шатуны, бо гэта можа стаць прычынай пачатку разбурэння шатуна. Выкарыстоўвайце несціраемы аловак.
Па масе шатуны аднаго і таго ж рухавіка не павінны адрознівацца сябар ад сябра больш за на 6 грамаў.
Укладышы шатун падшыпнікаў
Рухавік абсталяваны ўкладышамі, якія не маюць абароны ад няправільнай усталёўкі.

Усталёўка ўкладышаў вырабляецца пры дапамозе прынады Mot. 1492.

Усталёўка ўкладыша ў крывашыпную галоўку
1. Абярыце адпаведны рухавіку трымальнік укладыша (1) (гл. маркіроўку тыпу рухавіка (2) на трымальніку).
2. Устаўце трымальнік укладыша ў пазу (3) падставы прынады.

3. Пакладзіце шатун на падставу (як паказана на малюнку). Упэўніцеся ў тым, што ніжняя частка (4) поршневай галоўкі шатуна датыкаецца з усталявальным штыфтам.
4. Пакладзіце ўкладыш (5) на трымальнік укладыша.


5. Пхайце трымальнік укладыша ў кірунку, якое паказана на малюнку стрэлкай датуль, пакуль трымальнік укладыша не зойдзе да ўпора ў цела шатуна.

6. Зніміце трымальнік стрыжня шатуна і выканайце тыя ж аперацыі з астатнімі шатунамі.
Усталёўка ўкладыша ў вечка крывашыпнай галоўкі шатуна
1. Усталюйце вечка кривошипной галоўкі шатуна на выступы (6) падставы, а затым змесціце на трымальнік укладыш (7).

2. Пхайце трымальнік укладыша ў кірунку, якое паказана на малюнку стрэлкай, датуль, пакуль трымальнік укладыша не зойдзе да ўпора ў вечка кривошипной галоўкі шатуна.

3. Візуальна праверце:
- стан шатуноў (яны могуць быць скручаныя або пагнутыя);
- надзейнасць пасадкі накрывак падшыпнікаў на шатуны (пры неабходнасці, выкарыстоўвайце для выдалення задзірын наждачны брусок, каб забяспечыць правільную пасадку накрывак).
4. Абкладзеце верхнія галоўкі шатуноў на награвальную пліту. Выкарыстоўвайце награвальную пліту магутнасцю 1500 Вт. Забяспечце шчыльнае прыляганне паверхні верхняй галоўкі шатуна да пліты.
Для кантролю за тэмпературай нагрэву шатуноў пакладзяце на верхнюю галоўку кожнага шатуна на ўчастку (а) невялікі кавалачак алавянага прыпоя з тэмпературай плаўлення прыблізна 250°C.
Награвайце верхнія галоўкі бадзягаў, пакуль не расплавіцца прыпой.

Падрыхтоўка поршневых пальцаў
Памеры поршневых пальцаў:
- Даўжыня - 61,7-62 мм
- Вонкавы дыяметр - 19,986 - 19,991 мм
- Унутраны дыяметр - 11,6 мм
Пераканайцеся, што поршневыя пальцы свабодна ўваходзяць у адпаведныя новыя поршні. Выкарыстоўвайце цэнтравальнае прынада С13 і ўсталявальны стрыжань А13 або прынада Mot.574-24.
Усталюеце поршневай палец (Е) на ўсталявальны стрыжань (А), укруціце цэнтравальную прынаду (З) да ўпора і затым адкруціце яго на 1/4 абарачэння.

Зборка шатуна з поршнем
На днах поршняў нанесены пазнакі "А", якія паказваюць кірунак у бок махавік.
Размяшчэнне поршняў адносна шатуноў
Усталюеце поршань так, каб пазнака "А" (1) на яго дно знаходзілася наверсе.
Усталюеце шатун так, каб стопорный выступ (2) укладыша шатун падшыпніка знаходзіўся ўнізе.

Пры зборцы поршня з шатуном прытрымлівайцеся прыведзеным ніжэй інструкцыям:
- Усталюеце кольца В10 на падстаўку і абкладзеце поршань на гэта кольца, замацаваўшы яго пальцам.
- Пераканайцеся ў тым, што адтуліна для поршневага пальца сумешчана з адтулінай у кольцы В10.

- Вышмаруйце маторным маслам цэнтравальнае прыстасаванне і поршневай палец.
- Устаўце поршневай палец так, каб ён вольна ўвайшоў у поршань і, пры неабходнасці, зменіце цэнтроўку поршня.
Увага! Наступныя аперацыі трэба выконваць як мага хутчэй, каб пазбегнуць астуджэнні шатуна.
Калі тэмпература прыпоя дасягне кропкі плаўлення (прыпой ператворыцца ў кроплю):
- сатрыце кроплю прыпоя;
- устаўце ў поршань цэнтравальнае прыстасаванне;
- устаўце шатун у поршань;
- як мага хутчэй устаўце поршневай палец да ўпора цэнтравальнага прынады ў падстаўку.
Пераканайцеся ў тым, што поршневы палец застаецца ўсярэдзіне поршня ва ўсіх палажэннях шатуна ў поршні.
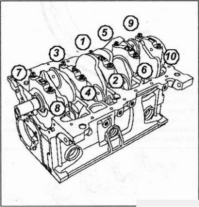
Укладышы карэнных падшыпнікаў каленчатага вала
Рухавік абсталяваны ўкладышамі, якія не маюць абароны ад няправільнай усталёўкі.

Паслядоўнасць усталёўкі:
- Усталюеце ўкладышы з канаўкамі ва ўсе гнёзды падшыпнікаў у блок-картэры.
- Усталюеце ўкладышы з канаўкамі на вечкі карэнных падшыпнікаў 2 і 4, а ўкладышы без канавак на вечкі карэнных падшыпнікаў 1, 3 і 5.

1. Устаноўка ўкладышаў у блок цыліндраў. Усталюйце прынаду Mot. 1493-01 на гняздо карэннага падшыпніка на блок-картэры.

Устаўце ўкладыш у Mot. 1493-01, затым націсніце ў кропцы (А), каб укладыш закрануў Mot. 1493-01 у кропцы (У).

2. Усталёўка ўкладышаў у вечкі карэнных падшыпнікаў.
Усталюйце прынаду Mot. 1493-01 на крышку карэннага падшыпніка.

Устаўце ўкладыш у Mot. 1493-01, затым націсніце ў кропцы (А), каб укладыш закрануў Mot. 1493-01 у кропцы (У).

Усталюйце:
- укладышы падшыпнікаў без канавак усталюеце ў вечкі 1-3-5;
- ўкладышы падшыпнікаў з канаўкамі ўсталюеце ў падшыпнікі блока цыліндраў і ў вечкі падшыпнікаў 2-4;
- бакавыя рэгулявальныя паўкола каленчатага вала ўсталюеце ў гняздо карэннага падшыпніка 3 (канаўкамі ў бок каленчатага вала).

3. Праверка радыяльнага зазору карэнных падшыпнікаў.
Увага! Пры праверцы зазору ні ў якім разе не паварочвайце каленчаты вал.
Выдаліце рэшткі алею з карэнных шыек і апор блока цыліндраў.
Усталюйце:
- каленчаты вал;
- упартыя паўкола каленчатага вала на 3-й апоры (канаўкамі да шчок каленчатага вала). Нарэжце некалькі кавалачкаў калібраванага дроту.
Пакладзяце дрот па восі карэнных шыек каленчатага вала (па-за зонай размяшчэння адтулін для змазкі апор).
1 - калібраваны дрот, 2 - шкала.
Усталюеце вечкі карэнных падшыпнікаў каленчатага вала (яны пазначаныя лічбамі ад 1 да 5), усталяваўшы вечка са боку махавік. Зацягніце крапежныя ніты ў парадку, паказаным на малюнку, з момантам 25 Нм і дакруціце іх на 47°±5°.

Парадак зацяжкі нітаў мацавання вечкаў карэнных падшыпнікаў каленчатага вала.
Зніміце вечкі карэнных падшыпнікаў каленчатага вала і каленчаты вал.
З дапамогай шкалы, нанесенай на пакаванне, па спляскванні калібраванага дрота вызначыце зазор паміж укладышамі і карэннымі шыйкамі
Зазор - 0,027-0,054 мм
Ачысціце каленчаты вал і вечкі падшыпнікаў ад рэштак калібраванага дроту. 4. Усталюйце на свае месцы вечка падшыпнікаў каленчатага вала і зацягніце крапежныя балты.
Заўвага. Не забудзьцеся вырабіць тонкі пласт RHODORSEAL 5661 на падшыпнік N9 1 на ўчастку (А).

5. Праверце восевы зазор каленчатага вала, які павінен быць у межах 0,045 - 0,252 мм у адсутнасць зносу рэгулявальных паўкола і ў межах 0,045 - 0,852 пры наяўнасці іх зносу.

Пераканайцеся ў свабодным паварочванні каленчатага вала.
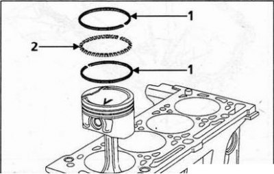
Ўстаноўка поршневых кольцаў
На кожным поршні ўстаноўлены тры кольцы.
Таўшчыня кольцаў:
- Верхняе компрессіонные кольца - 1,2 мм
- Ніжняе компрессіонные кольца - 1,5 мм
- Маслаздымнае кольца - 2,5 мм

Маслаздымнае кольца складаецца з трох частак: два сталёвых кольца (1), двухфункцыянальны пашыральнік кольца (2).
Поршневыя кольцы, усталяваныя на заводзе, павінны свабодна перамяшчацца ў сваіх порыневых канаўках.
Правільна ўсталёўвайце поршневыя кольцы: пазнака "ТОР" павінна быць наверсе. Арыентацыя поршневых кольцаў на поршні: размесціце поршневыя кольцы так, як паказана на малюнку ніжэй.

Ўстаноўка поршняў у зборы ў цыліндры
1. Вышмаруйце поршні.
2. Устаўце поршань у зборы з шатуном у блок цыліндэаў, выкарыстоўваючы абціскны хамут (напрыклад: FACOM 750 ТБ), забяспечыўшы правільны кірунак (пазнака "А" павінна быць звернутая ў бок махавіка).
3. Усталюйце шатуны на змазаныя крывашыпы каленчатага вала.
4. Надзеньце вечкі ніжніх галовак шатуноў.
5. Зацягніце новыя гайкі вечкаў ніжніх галовак шатуноў з момантам 43 Нм.
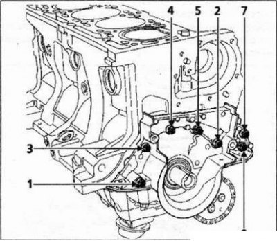
6. Усталюйце на месца:
- зорачку прывада алейнай помпы;
- ланцуг прывада алейнай помпы;
- алейная помпа, зацягніце ніты яго мацавання з момантам 22 - 27 Нм;
- вечка ўшчыльняльнай абшэўкі каленчатага вала, вырабячы на яе герметык Loctite 518. Палоска (У) герметыка павінна быць шырынёй 0,6 - 1 мм, і герметык павінен наносіцца, як паказана на малюнку ніжэй.

Затым зацягніце ніты мацавання трымальніка пярэдняга сальніка каленчатага вала з момантам 11 Нм у рэкамендаванай паслядоўнасці.

7. Вырабіце кроплю складу RHODORSEAL 5661 у кропках (А) (па абедзвюх боку падшыпніка №1) і на трымальнік пярэдняга сальніка каленчатага вала (З).

8. Усталюйце маслазаспакаяльнік і паддон з новай пракладкай. Зацягніце ніты мацавання паддона ў парадку, паказаным на малюнку, з момантам 8 Нм і затым зацягніце іх канчаткова з момантам 14 Нм.

Пры ўсталёўцы паддона рухавіка неабходна пераканацца, што:
- выступы (1) маслазаспакаяльніка ўстаноўлены ў пазы (2);

- блок цыліндраў і паддон рухавіка выраўнаваны са боку махавіка ў пазбяганне пашкоджання картэра счаплення пры злучэнні рухавіка са скрынкай перадач.

9. Усталюйце датчык ўзроўню алею.
- Момант зацяжкі - 20 Нм
10. Усталюйце датчык дэтанацыі.
- Момант зацяжкі - 20 Нм
11. Усталюйце датчык ціску алею.
- Момант зацяжкі - 32 Нм
Усталёўка сальнікаў каленчатага вала
1. Для ўсталёўкі сальнікаў на баку махавіка выкарыстоўвайце прынаду Mot 1129-01.

2. Для ўсталёўкі сальнікаў на боку размеркавальнага механізму выкарыстайце прынаду Mot 1385.

3. Усталюйце на месца:
- махавік, зацягнуўшы новыя Ьолты яго мацавання з момантам 55 Нм (у зоркападобнай паслядоўнасці);

- кошык счаплення.
Адцэнтруйце кіраваны дыск з дапамогай апраўкі (Emb. 1581).

Зацягніце ніты мацавання кажуха счаплення з момантам 18 Нм і зніміце фіксатар махавік.

4. Усталюеце на месца вадзяная помпа, ушчыльніўшы яго пасадачную паверхню герметыкам Loctite 518. Шырыня паласы (З) герметыка павінна быць 0,6-1 мм, і герметык варта наносіць, як паказана на малюнку ніжэй.

5. Зацягніце ніты Мб і М8 папярэдне з момантам 8 Нм і затым у рэкамендаванай паслядоўнасці зацягніце канчаткова ніты Мб з момантам 11 Нм, а ніты М8 - з момантам 22 Нм.
Заўвага. Вырабіце 1-2 кроплі герметыка Loctite FRENETANCH на балты 1 і 4 мацавання вадзяной помпы.

6. Усталюйце на месца:
- нацяжны ролік прываднага рамяня газаразмеркавальнага механізму, усталяваўшы правільна выступ шківа ў канаўку (А);

- датчык ўзроўню алею.
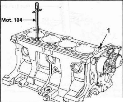
Ўстаноўка галоўкі блока цыліндраў
1. Усталюйце поршні ў сярэдзіне ходу.
2. Усталюйце прынаду Mot. 104 на блок цыліндраў.

Праверце наяўнасць усталявальнай утулкі (1) на блоку цыліндраў.
3. Устанавіце пракладку галоўкі блока цыліндраў і затым саму галоўку блока цыліндраў.
4. Праверце стан нітаў.
Ніты могуць быць выкарыстаны паўторна, калі даўжыня стрыжня ніта пад галоўкай не перавышае 117,7 мм (у адваротным выпадку, заменіце ўсе балты).
5. Зацягніце балты мацавання галоўкі блока цыліндраў.
Увага! Для правільнай зацяжкі нітаў выдаліце шпрыцам алей, пакінутае ў крапежных адтулінах галоўкі блока цыліндраў.
Не змазвайце маторным маслам новыя ніты. І наадварот, пры паўторным выкарыстанні нітаў, іх неабходна вышмараваць маторным маслам.
Праверце, каб усе ніты былі зацягнуты момантам 20 Нм, затым выканайце ў тым жа парадку доворот усіх нітаў на 240°±6°.
Заўвага. Пасля выканання гэтай працэдуры паўторная зацяжка нітаў мацавання галоўкі блока цыліндраў не патрабуецца.
6. Усталюйце на месца бензаразмеркавальную рампу і зацягніце балты яе мацавання з момантам 20 Нм.

Заўвага.
- Праверце сумяшчальнасць ніжняга впускнога размеркавальніка з галоўкай блока цыліндраў (на баку размеркавальнага механізму).
- Праверце сумяшчэнне верхніх паверхняў (1) ніжняга впускнога размеркавальніка з галоўкай блока цыліндраў.
7. Усталюйце на месца здымную частку кашулі астуджэння з новым ушчыльненнем і зацягніце ніты мацавання з момантам 10 Нм.
Зацяжка ўсіх нітаў вырабляецца момантам 20 Нм у паказаным на малюнку парадку.


8. Усталюйце на месца:
- выпускны калектар з новай пракладкай, зацягнуўшы гайкі яго мацавання з момантам 18 Нм у рэкамендаванай паслядоўнасці;

- верхні цеплавы экран выпускных газаў, зацягнуўшы балты яго мацавання з момантам 10 Нм;
- кіслародны датчык, зацягнуўшы яго з момантам 45 Нм;
Заўвага. Пераканайцеся ў тым, што цеплавы экран выпускных газаў правільна ўсталяваны паміж кіслародным датчыкам і выпускным калектарам (гэта прадухіляе цеплавое ўздзеянне, якое можа прывесці да разбурэння раздыма кіслароднага датчыка).
- падкос паміж выпускным калектарам і блокам цыліндраў;
- распорную дэталь (А).

9. З часам працоўная вадкасць з гідраўлічных штурхачоў выцякае і яе трэба папаўняць. Каб праверыць, ці патрабуюць гэтыя штурхачы папаўнення працоўнай вадкасці, націсніце вялікім пальцам на верхнюю частку штурхача (А). Калі поршань абмежавальніка апусціцца, пагрузіце яго ў ёмістасць з дызельным палівам.
10. Усталюйце на месца гідраўлічныя штурхачы і каромысла клапанаў.

11. Вышмаруйце падшыпнікі размеркавальных валаў.
Заўвага. Не дапушчайце трапленні алею на паверхню для пракладкі вечка галоўкі блока цыліндраў.
12. Правільна ўсталюеце размеркавальныя валы на свае месцы (гл. падраздзел "Размеркавальныя валы" раздзела "Разборка рухавіка"). Усталюйце пазы размеркавальных валаў, як паказана на малюнку ніжэй.

Заўвага. Паверхні пад пракладкі павінны быць чыстымі, сухімі і абястлушчанымі (асабліва пазбягайце дакранацца іх пальцамі, каб не пакідаць слядоў тлушчу).
13. З дапамогай валіка вырабіце герметык Loctite 518 на паверхню вечка галоўкі блока цыліндраў на боку яе пракладкі, пакуль яна не набудзе чырванаваты колер.

Табліца. Парадак зацяжкі нітаў вечка галоўкі блока цыліндраў
| Этап | Паслядоўнасць зацяжкі нітаў | Паслядоўнасць паслаблення зацяжкі нітаў | Момант зацяжкі (Нм) |
| №1 | 22-23-20-13 | - | 8 |
| №2 | з 1 па 12; з 14 па 19; з 21 па 24 | - | 12 |
| №3 | - | 22-23-20-13 | - |
| №4 | 22-23-20-13 | - | 12 |
14. Усталюеце на месца вечка галоўкі блока цыліндраў і зацягніце ніты яе мацавання з рэкамендаваным момантам.

Парадак зацяжкі нітаў вечка галоўкі блока цыліндраў.
15. З дапамогай валіка вырабіце герметык Loctite 518 на паверхню алейнага адстойніка са боку яго пракладкі, па яна не набудзе чырванаватае адценне.
Заўвага. Паверхні пад пракладкі павінны быць чыстымі, сухімі і абястлушчанымі (асабліва пазбягайце дакранацца іх пальцамі, каб не пакідаць слядоў тлушчу).


16. Усталюйце на месца:
- алейны адстойнік, зацягнуўшы балты мацавання з момантам 13 Нм у рэкамендаванай паслядоўнасці (самонарезающие ніты варта зацягваць з дапамогай гаечнага ключа з абмежаваннем па крутоўным моманце);
- пад'ёмны вуш (А).
17. Усталюйце на месца:
- шпулькі запальвання, зацягнуўшы балты мацавання з момантам 13 Нм;
- впускной калектар (з новымі ўшчыльненнямі), зацягнуўшы балты яго мацавання з момантам 9 Нм у рэкамендаванай паслядоўнасці;

- корпус дросельнай засланкі, зацягнуўшы балты яго мацавання (А) з момантам 13 Нм;
- паветраны фільтр, зацягнуўшы ніты яго мацавання з момантам 9 Нм, ушчыльняльныя абшэўкі размеркавальных валаў, выкарыстоўваючы прынаду Mot. 1491 (выкарыстоўвайце старыя гайкі (У)).

Ўстаноўка фаз газаразмеркавання
Увага! Неабходна абястлусціць канцавую шыйку каленчатага вала, пасадкавыя паверхні зубчастых шківаў механізму газаразмеркавання і каленчатага вала, каб пазбегнуць праслізгвання паміж механізмам газаразмеркавання і каленчатым валам, якое можа прывесці да пашкоджання рухавіка.
1. Усталюйце на месца шківы размеркавальных валаў, папярэдне зацягнуўшы новыя гайкі (старыя гайкі павінны быць заменены новымі, без гаек восевай люфт паміж гайкай і шківам павінен быць у межах 0,5-1 мм).
2. Устанавіце канаўкі размеркавальных валаў, як паказана на малюнку ніжэй.

3. Усталюйце прынаду Mot. 1496, замацаваўшы яго на канцах размеркавальных валаў.

4. Пераканайцеся ў тым, што каленчаты вал упіраецца ў фіксатар становішча ВМТ (пры гэтым канаўка (5) на каленчатым вале знаходзіцца ў самым верхнім становішчы).

5. Усталюеце зубчастыя шківы размеркавальных валаў так, каб лагатып "Renault" на іх спіцах быў арыентаваны вертыкальна ўгару. Надзеньце прывадны рамень газаразмеркавальнага механізму на зубчастыя шківы размеркавальных валаў і затым усталюеце прынаду Mot. 1490 для блакіроўкі шківаў размеркавальных валаў.


6. Усталюйце на месца:
- рамень прывада газаразмеркавальнага механізму;
- шкіў, зацягнуўшы ніт мацавання з момантам 45 Нм.

Заўвага. Ніт мацавання шківа каленчатага вала для прывада дапаможнага абсталявання можна выкарыстоўваць паўторна, калі яго даўжыня пад галоўкай не перавышае 49,1 мм; у адваротным выпадку заменіце яго новым.
7. Усталюйце на месца шкіў каленчатага Еала для прывада дапаможнага абсталявання, папярэдне зацягнуўшы ніт яго мацавання (без зацягвання ніта павінен заставацца люфт 2-Змм паміж галоўкай ніта і шківам).
Заўвага. Не змазвайце новы ніт. Аднак, калі выкарыстоўваецца стары ніт, тое яго трэба вышмараваць маторным алеем.
Нацяжэнне рамяня
1. Пераканайцеся ў тым, што паміж гайкамі і шківамі размеркавальных валаў усё яшчэ застаецца люфт 0,5-1 мм.
2. Ссуньце рухомую пазнаку (А¹) нацяжнога роліка на 7-8 мм адносна нерухомай пазнакі (7), выкарыстаючы для гэтага 6-мм шасцігранны кантавы ключ (У).
Заўвага. Кропка (А) адпавядае рухомай пазнацы ў вольным становішчы.

3. Папярэдне зацягніце гайку нацяжнога роліка з момантам 7 Нм.
4. Зніміце прынаду Mot. 1490 для блакіроўкі шківаў размеркавальных валаў.
5. Правярніце шэсць разоў шкіў размеркавальнага вала выпускных клапанаў на боку размеркавальнага механізму, выкарыстаючы для гэтага прынада Mot. 799-01.
6. Прыслабце зацяжку гайкі нацяжнога роліка не больш за на адзін абарачэнне, утрымліваючы пры гэтым ролік 6-мм шасцігранным кантавым ключом.
7. Сумясціце рухомую пазнаку (А') з нерухомай пазнакай (7) і зацягніце гайку роліка з момантам 27 Нм.
8. Усталюйце прынаду Mot. 1490 для блакіроўкі шківаў размеркавальных валаў.

10. Зацягніце ніт шківа каленчатага вала для прывада дапаможнага абсталявання з момантам 20 Нм і затым укруціце яго на кут 135°±15° (пры гэтым каленчаты вал павінен упірацца ў фіксатар становішча ВМТ).
11. Зацягніце гайку шківа размеркавальнага вала впускных клапанаў з момантам 30 Нм і затым укруціце яе на кут 84°.
12. Зніміце прынаду Mot. 1496 для правільнай усталёўкі размеркавальных валаў, прынада Mot. 1490 для блакіроўкі шківаў размеркавальных валаў і фіксатар становішча ВМТ Mot. 1489.
Праверка нацяжэння рамяня
1. Правярніце каленчаты вал па гадзіннікавай стрэлцы (з боку газаразмеркавальнага механізму) на два абароту; да канца другога абарачэння укруціце фіксатар Mot. 1489 у блок цыліндраў і павольна, без рыўкоў, дакруціце каленчаты вал у тым жа кірунку, пакуль ён не ўпрэцца ў фіксатар становішча ВМТ.
2. Вывярніце фіксатар становішча ВМТ.
3. Упэўніцеся ў тым, што ўсталявальныя пазнакі нацяжнога роліка сумясціліся; у адваротным выпадку паспрабуйце аперацыю па нацяжэнні рамяня.
4. Адкруціце гайку нацяжнога роліка не больш за на адзін абарачэнне, утрымліваючы ролік 6-мм шасцігранным кантавым ключом.
5. Сумясціце рухомую пазнаку з нерухомай і зацягніце гайку мацавання роліка з момантам 27 Нм.
Праверка правільнасці ўстаноўкі фаз газаразмеркавання
1. Перш чым праверыць правільнасць усталёўкі фаз газаразмеркавання, пераканайцеся ў правільным становішчы пазнак нацяжнога роліка.
2. Укруціце фіксатар становішча ВМТ Mot. 1489 у блок цыліндраў, усталюеце і ўтрымлівайце каленчаты вал у становішчы, пры якім ён упіраецца ў фіксатар становішча. 3. Усталюйце (не прыкладаючы намаганняў) прынада Mot. 1496 для правільнай усталёўкі размеркавальных валаў (канаўкі размеркавальных валаў павінны займаць гарызантальнае становішча). Калі паказанае прыстасаванне не ўваходзіць у зачапленне, тое гэта азначае, што фазы газаразмеркавання трэба ўсталяваць зноўку і зноў адрэгуляваць нацяжэнне рамяня.
9. Пераканайцеся ў тым, што каленчаты вал упіраецца ў фіксатар становішча ВМТ Mot. 1489.


4. Усталюйце на месца:
- корак адтуліны фіксатара становішча ВМТ;
- верхняе вечка размеркавальнага механізму, зацягнуўшы ніты яе мацавання з момантам 41 Нм;

- сярэднюю крышку размеркавальнага механізму.

5. Усталюйце новыя заглушкі:
- размеркавальнага вала впускных клапанаў (Mot. 1487);
- размеркавальнага вала выпускных клапанаў (Mot. 1488).

Заключныя аперацыі
1. Усталюйце на месца:
- вадзяны патрубак з новым ушчыльненнем;
- універсальны мантажны кранштэйн (перш чым зацягваць ніты яго мацавання, пераканайцеся ў тым, што ён дакранаецца паддона картэра ў становішчы (А) і затым зацягніце ніты яго мацавання (гл. табліцу "Моманты зацяжкі нітаў мацавання ўніверсальнага мантажнага кранштэйна").
Табліца. Моманты зацяжкі нітаў мацавання ўніверсальнага мантажнага кранштэйна
| Ніты | Моманты зацяжкі |
| 1 | 53 Нм |
| 2 | 21 Нм |
| 3 | 110 Нм |

2. Усталюйце на месца:
- кампрэсар кандыцыянера, зацягнуўшы балты мацавання з момантам 21 Нм;
- генератар пераменнага току, зацягнуўшы балты мацавання з момантам 21 Нм;
- помпа ўзмацняльніка механізму рулявога кіравання, зацягнуўшы балты мацавання з момантам 21 Нм;
- рамень прывада дапаможнага абсталявання.
3. Рэмень прывада навясных агрэгатаў (мадэлі з кандыцыянерам).
А - Шків каленчатага вала, У - Шків кампрэсара кандыцыянера, З - Шків генератара пераменнага току, D - Шків помпы ўзмацняльніка рулявога кіравання, Е - Абводны ролік, Т - Нацяжны ролік.
Каб надзець рамень, павярніце гаечны ключ налева.
Заблакуйце нацяжны ролік, выкарыстоўваючы для гэтага 6-мм шасцігранны кантавы ключ (1).

Заўвага. Праверце, што ўнутраны ручай (1) шківаў застаецца вольным пры ўсталёўцы рамяня.

4. Рэмень прывада навясных агрэгатаў (мадэлі без кандыцыянера).
А - Шків каленчатага вала, У - Шків помпы ўзмацняльніка механізму рулявога кіравання, З - Шків генератара пераменнага току, Т - Нацяжны ролік, Кропка праверкі нацяжэння рамяня.
Прывадны рамень нацягваецца з дапамогай ніта (1) (пры гэтым трэба прыслабіць зацяжку двух нітаў мацавання нацяжных ролікаў) з наступнай зацяжкай гайкі (2).

Зацягніце ніты мацавання аўтаматычнага нацяжнога роліка.
Заўвага. Рэмень прывада навясных агрэгатаў мае пяць клінаў, а шкіў генератара і шкіў помпы ўзмацняльніка механізму рулявога кіравання выкананы 6-ручьевыми; таму пры ўсталёўцы прыветнага рамяня абавязкова трэба пакідаць вольным вонкавы раўчук шківаў (Е).
5. Для правільнай усталёўкі рамяня навясных агрэгатаў на шківах, правярніце каленчаты вал рухавіка на два абарачэння.
