Агульнае апісанне
1. Апал і вентыляцыя салона працуюць на прынцыпе змешвання гарачага і халоднага паветра ў аб'ёмах, вызначаных становішчам рэгулятара на панэлі кіравання працай гэтых сістэм. Нагрэтая рухавіком астуджальная вадкасць праходзіць праз матрыцу ацяпляльніка ўвесь час, пакуль працуе рухавік, незалежна ад становішча рэгулятара (гл. ілюстрацыю).
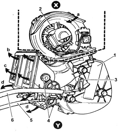
11.1. Кампаненты нагнетателя ацяпляльніка і блока паветраразмеркавальніка: 1 - Матрыца ацяпляльніка; 2 - Нагнятальнік; 3 - Засланка рэгулявання тэмпературы; 4 - Паветраразмяркоўвалыя засланкі; 5 - Тросік кіравання размеркаваннем паветра па паветраводах; 6 - Тросік рэгулявання тэмпературы; а - паветразаборная адтуліна; b - Выхад да паветраводаў абдзімання шкла; з - Вынахад да дэфлектарам прыборнай панэлі; d - Выхад да соплаў у нішах для ног; X - Скрынка паветрапрытоку (у маторным адсеку); У - Салон аўтамабіля.
2. Размеркаванне паветра па паветраводах кіруецца левым рэгулятарам панэлі. Перыферыйнае размеркаванне паветра ажыццяўляецца за рахунак адкрыцця/зачыненні або змены становішча дэфлектараў у прыборнай панэлі.
3. Праца трехскоростного нагнетателя сістэм апалу/вентыляцыі кіруецца правым рэгулятарам кантрольнай панэлі.
4. Праца сістэмы кандыцыянавання паветра, устаноўленай на некаторыя мадэлі, апісана ў Главе 15.
Праверка працы
5. Перыядычна правярайце, ці ўсё рэгулятары працуюць спраўна. Праблемы, звязаныя з рэгулятарамі тэмпературы і размеркаванні паветра па каналах, могуць быць выкліканы пашкоджаннем або адмацаваннем іх тросікаў (гл. Главу 14).
6. Калі нагнетатель не працуе наогул, праверце спачатку яго топкі засцерагальнік і шматкантактны злучальнік і толькі затым яго матор. Калі не працуюць адна ці дзве хуткасці, няспраўнасць амаль напэўна злучана з рэзістарам (гл. Главу 12).
7. Праверце стан і надзейнасць мацавання шлангаў сістэмы астуджэння, злучаных з матрыцай ацяпляльніка. Патрубкі матрыцы ацяпляльніка выведзены праз перагародку ў маторны адсек. Калі ў салон у вобласці ацяпляльніка прасочваецца вільгаць, вызначыце, што гэта - астуджальная вадкасць (працякае матрыца ацяпляльніка) ці дажджавая вада (пашкоджана ўшчыльненне скрынкі паветрапрытоку). Астуджальная вадкасць мае адметны прыемны пах.
