Выяўленне няспраўнасцяў
1. Высокі выдатак паліва, няўстойлівы халасты ход і дрэнная прыёмістасць не абавязкова могуць быць з-за няспраўнасцяў у карбюратары. Спачатку праверце стан кампанентаў сістэмы запальвання, зазоры клапанаў і стан рухавіка. Праверце таксама, каб не былі засмечаны паліўны і паветраны фільтры.
2. Няспраўнасці з карбюратарам звычайна адбываюцца з-за трапленні бруду ў поплавковую камеру і блакаванне жыклёраў, што прыводзіць да збяднення сумесі ці да падзення магутнасці ў межах некаторага дыяпазону частот кручэння рухавіка. У гэтым выпадку неабходна цалкам ачысціць карбюратар. Калі карбюратар моцна зношаны, нераўнамернае кіраванне можа быць выклікана трапленнем паветра праз падшыпнікі восі дросельнай засланкі. Механічная засланка звычайна не дастаўляе ніякіх праблем.
Пераборка і рэгуляванне
3. У наступных пунктах апісваюцца працэдуры чысткі і рэгуляванні, якія аўтааматар можа выканаць пасля зняцця карбюратара са впускнога калектара. Частковую чыстку можна выканаць, зняўшы верхняе вечка, не здымаючы карбюратар. Але будзьце асцярожныя, не выпусціце ўнутр карбюратара дробныя дэталі.
4. Калі карбюратар зношаны або пашкоджаны, яго неабходна замяніць або аднавіць.
5. Перш чым пачынаць працу, набудзьце рэмкамплект для карбюратара. У яго ўваходзяць розныя пракладкі, ушчыльненні, і да т.п.
6. Калі неабходна адкруціць рэгулявальныя шрубы ці гайкі, ці патрывожыць рэгуляваныя кампаненты тыпу кулачка паскаральнага помпы, адзначце размяшчэнне кампанентаў.
7. Адкруціце шрубы мацавання, і зніміце вечка карбюратара, адначасова расчапляючы кіравальную цягу паветранай засланкі.
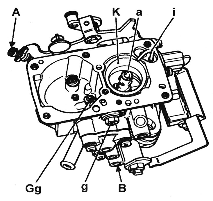
8. На суправаджальнай ілюстрацыі паказаны розныя жыклёры (гл. ілюстрацыю).
12.8. Карбюратар Solex 32 BIS з выдаленым вечкам: а - Які карэктуе паветраны жиклер; g - Жыклер халастога ходу; i - Фарсунка паскаральнай помпы; А - Вінт рэгулявання частаты халастога ходу; У - Вінт рэгулявання сумесі халастога ходу (СА); Gg - Галоўны жыклер; Да - Камера.
Зніміце жыклёры, затым ачысціце поплавковую камеру ад асадка. Прамыйце галоўны корпус і вечка палівам, і прадуйце ўнутраныя каналы і жыклёры сціснутым паветрам.
9. Верхняе становішча паплаўка на гэтым карбюратары адрэгуляваць магчыма толькі шляхам падбору таўшчыні шайбы пад іголкай поплавкового рэгулятара. Таўшчыня пазначана ў Спецыфікацыях.
10. Вырабляйце ўстаноўку кампанентаў у зваротным зняцці парадку.
