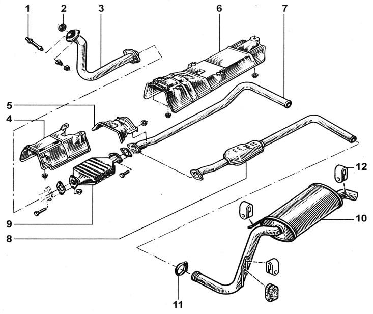
17.1. Тыповыя кампаненты выхлапной сістэмы: 1 - Шпілька; 2 - Кальцавае ўшчыльненне; 3 - Якая адводзіць выхлапная труба (пярэдняя секцыя); 4 - Цеплаізаляцыйны шчыток; 5 - Цеплаізаляцыйны шчыток; 6 - Цеплаізаляцыйны шчыток; 7 - Цэнтральная секцыя; 8 - Цэнтральная секцыя (з глушыцелем); 9 - Каталітычны канвэртар; 10 - Задняя секцыя (глушыцель); 11 - Заціск; 12 - Гумавая падвеска.
Больш падрабязна апісанне выхлапной сістэмы і працэдуры замены кампанентаў можна знайсці ў Раздзеле 17 Раздзела 4В.
