Заўвага: Запатрабуецца прыдатны рамонтны камплект дэталяў.
1. Зніміце прывадны вал як апісана ў Раздзеле 2.
2. Адмысловымі абцугамі выміце стопорное кольца, якое мацуе трыпоід Шруса да прываднага вала. Звярніце ўвагу, што на некаторых мадэлях Шрус можа быць зафіксаваны ў працоўным становішчы; у гэтым выпадку, выпусціце блакавальны абадок, выкарыстоўваючы напільнік. Фарбай або мыслікам адзначце становішча трыпоіду на прывадным вале, каб палегчыць наступную ўсталёўку.
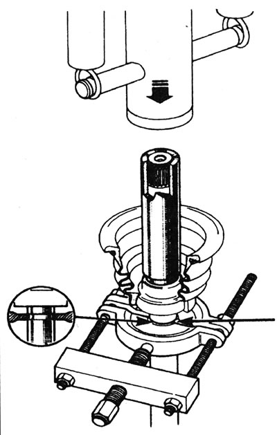
3. Зніміце трыпоід. Калі зрабіць гэта не атрымоўваецца, сцягніце яго з канца прываднага вала з дапамогай здымніка. Пераканайцеся, што апоры здымніка ўсталяваны ззаду трыпоіда і не дакранаюцца ролікаў. У якасці альтэрнатывы, падтрымайце трыпоід і выцесніце з яго вал з дапамогай гідрапрэса, зноў сочачы за тым, каб прылады не дакраналіся ролікаў.
4. Зборка ахоўнага чахла/падшыпніка выдаляецца такім жа чынам. Зніміце мантажную пласціну, запомніўшы яе правільнае размяшчэнне.
5. Набудзьце новы ахоўны чахол, які забяспечаны невялікім падшыпнікам.
6. Падшыпнік і ахоўны чахол трэба ўвагнаць у працоўнае становішча, пажадана з дапамогай прэса. Пры выкарыстанні малатка і трубчастай выбівачкі вялікая рызыка дэфармацыі ўшчыльнення падшыпніка.
7. Усталюйце мантажную пласціну на прывадны вал, правільна арыентаваўшы яе.
8. Зафіксуйце прывадны вал і з дапамогай прэса ўсталюеце на яго падшыпнік ахоўнага чахла, выкарыстаючы полую распорную пракладку,. якая абапіраецца толькі на ўнутранае кольца падшыпніка. Змесціце падшыпнік так, каб адлегласць ад канца прываднага вала да ўнутранай паверхні падшыпніка было 148.5 мм (гл. ілюстрацыі).
5.8а. Угоніце ахоўны чахол/падшыпнік на канец левага прываднага вала з дапамогай прэса.
5.8b. Правільнае размяшчэнне (у мм) ахоўнага чахла/падшыпніка на ўнутраным канцы левага прываднага вала.
9. Усталюйце трыпоід Шруса на пазы прываднага вала, арыентуючыся на пазнакі, зробленыя падчас зняцця. Выкарыстоўвайце малаток і выбівачку, выкананую з мяккага металу, каб увагнаць трыпоід на вал. Імкніцеся не пашкодзіць пазы прываднага вала ці ролікі Шруса. У якасці альтэрнатывы, зафіксуйце прывадны вал і ўсталюеце на яго трыпоід з дапамогай прэса і полай распорнай пракладкі.
10. Прымацуеце трыпоід стопорным кольцам, сочачы затым, каб яно патрапіла ў канаўку прываднага вала. Дзе стопорное кольца не выкарыстоўваецца, прымацуеце Шрус, адхінуўшы край прываднага вала з дапамогай малатка і мысліка ў трох кропках, адлеглых сябар ад сябра на 120°.
11. Усталюйце прывадны вал (гл. Главу 2).
