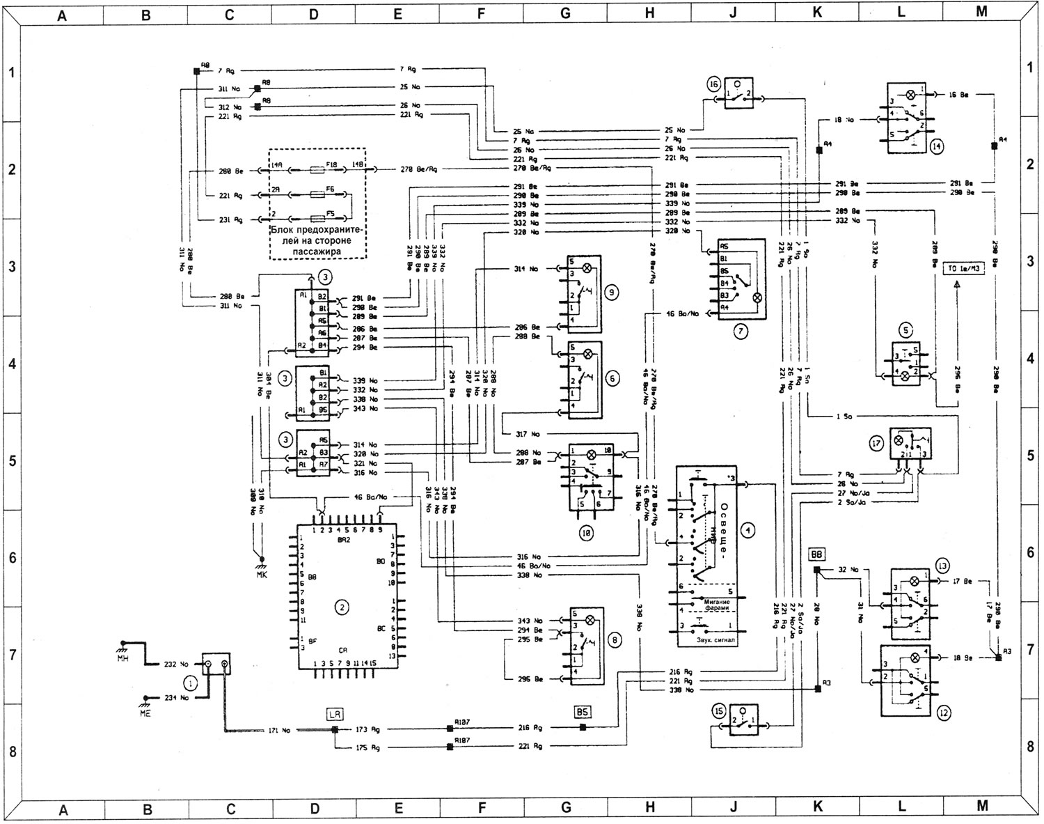
Ключ да схемы
- 1 - Акумулятар
- 2 - Шчыток прыбораў
- 3 - Шунт
- 4 - Камбінаваны перамыкач - асвятленне, паказальнікі павароту і гукавы сігнал
- 5 - Галоўны перамыкач цэнтральнага замка
- 6 - Выключальнік абагравальніка задняга шкла
- 7 - Выключальнік нагнетателя ацяпляльніка
- 8 - Выключальнік пярэдніх противотум. фар
- 9 - Выключальнік задніх противотум. ліхтароў
- 10 - Выключальнік аварыйнай сігналізацыі
- 11 - Выключальнік запальвання
- 12 - Пераключальнік левага шклапад'ёмніка (з боку кіроўцы)
- 13 - Пераключальнік левага шклапад'ёмніка (з боку пасажыра)
- 14 - Пераключальнік правага шклапад'ёмніка (з боку пасажыра)
- 15 - Дзвярны выключальнік асвятлення салона (левы)
- 16 - Дзвярны выключальнік асвятлення салона (правы)
- 17 - Блок ліхтара асвятлення салона (базавая камплектацыя)

