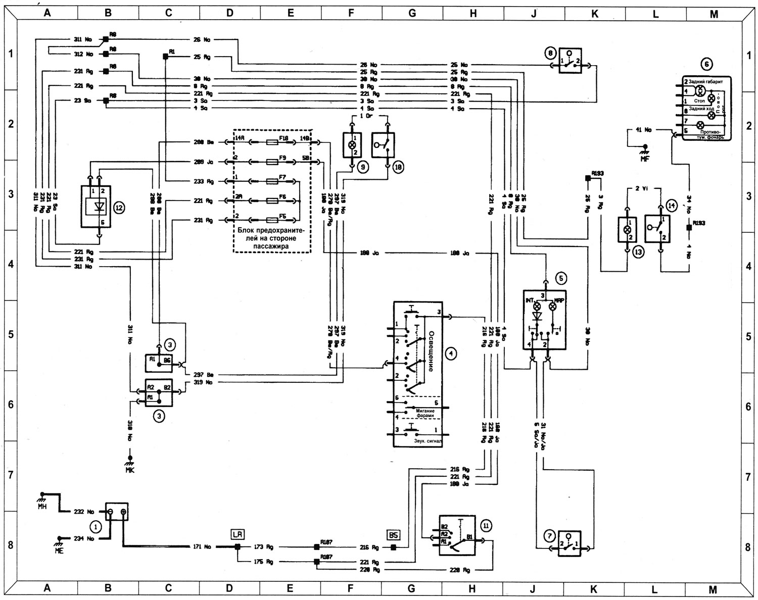
Ключ да схемы
- 1 - Акумулятар
- 2 - Шчыток прыбораў
- 3 - Шунт
- 4 - Камбінаваны перамыкач -асвятленне, паказальнікі павароту і гукавы сігнал
- 5 - Блок ліхтара асвятлення салона (пашыраная камплектацыя)
- 6 - Левы блок задніх ліхтароў
- 7 - Дзвярны выключальнік асвятлення салона (левы)
- 8 - Дзвярны выключальнік асвятлення салона (правы)
- 9 - Лямпа асвятлення бардачка
- 10 - Выключальнік лямпы асвятлення бардачка
- 11 - Выключальнік запальвання
- 12 - Зумер папярэджання аб уключаным асвятленні
- 13 - Лямпа асвятлення багажнага адсека
- 14 - Выключальнік лямпы асвятлення багажнага адсека

