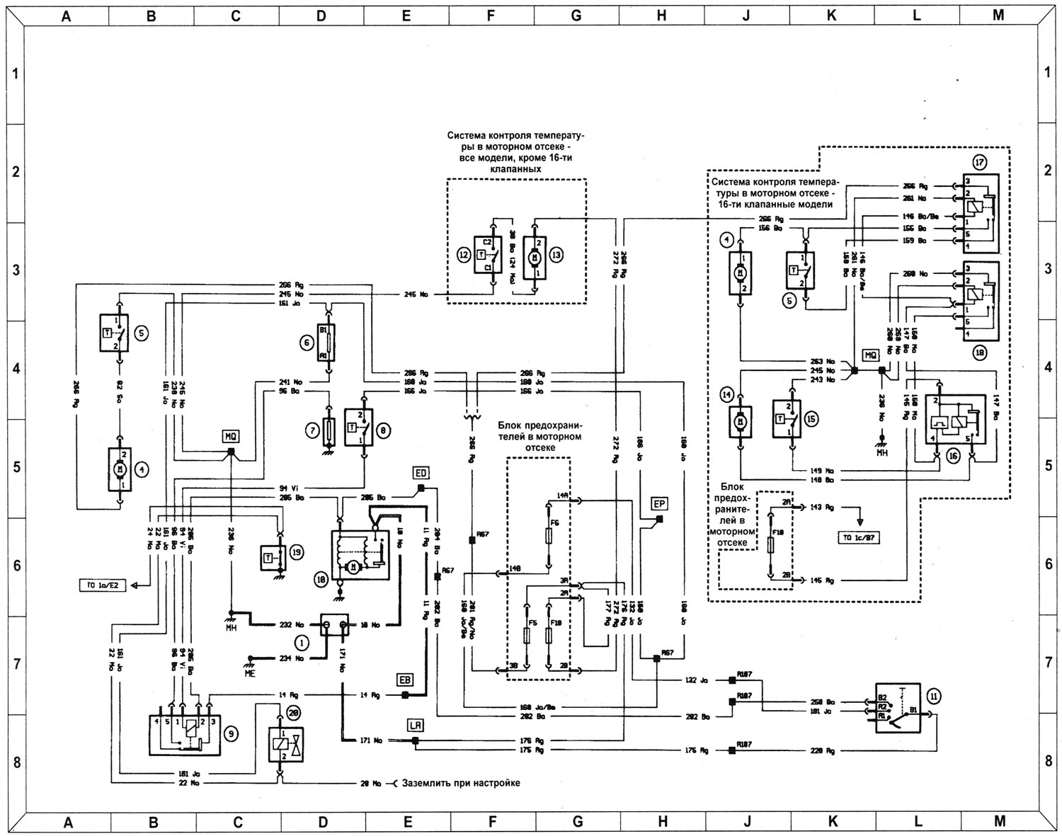
Ключ да схемы
- 1 - Акумулятар
- 4 - Матор вентылятара астуджэння
- 5 - Выключальнік вентылятара астуджэння
- 6 - Награвальнік корпуса карбюратара
- 7 - Награвальнік калектара
- 8 - Тэрмавыключальнік на впускным калектары
- 9 - Рэле награвальніка впускнога калектара
- 10 - Стартар
- 11 - Выключальнік запальвання
- 12 - Тэрмавыключальнік сістэмы кантролю тэмпературы ў маторным адсеку
- 13 - Вентылятар сістэмы кантролю тэмпературы ў маторным адсеку
- 14 - Вадзяная помпа сістэмы кантролю тэмпературы ў маторным адсеку
- 15 - Тэрмавыключальнік вадзяной помпы сістэмы кантролю тэмпературы ў маторным адсеку
- 16 - Таймер вадзяной помпы сістэмы кантролю тэмпературы ў маторным адсеку
- 17 - Шунтирующее рэле выключальніка вентылятара сістэмы астуджэння
- 18 - Рэле помпы сістэмы астуджэння
- 19 - Тэрмавыключальнік рэгулявання ўзбагачэння сумесі
- 20 - Электрамагнітны клапан рэгулявання ўзбагачэння сумесі

