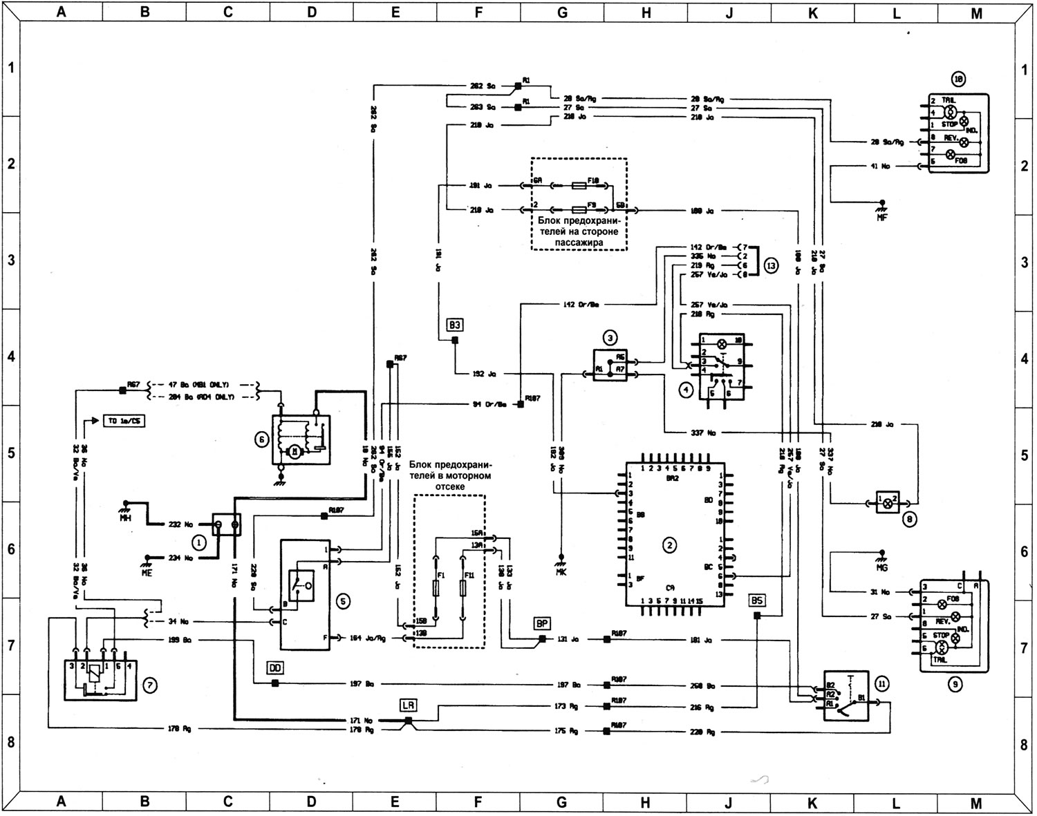
Ключ да схемы
- 1 - Акумулятар
- 2 - Шчыток прыбораў
- 3 - Шунт
- 4 - Выключальнік лямпы аварыйнай сігналізацыі
- 5 - Працэсарны блок аўтаматычнай трансмісіі '
- 6 - Стартар
- 7 - Рэле стартара
- 8 - Выключальнік асвятлення
- 9 - Левы блок задніх ліхтароў
- 10 - Правы блок задніх ліхтароў
- 11 - Выключальнік запальвання
- 13 - Дыягнастычны раздым

