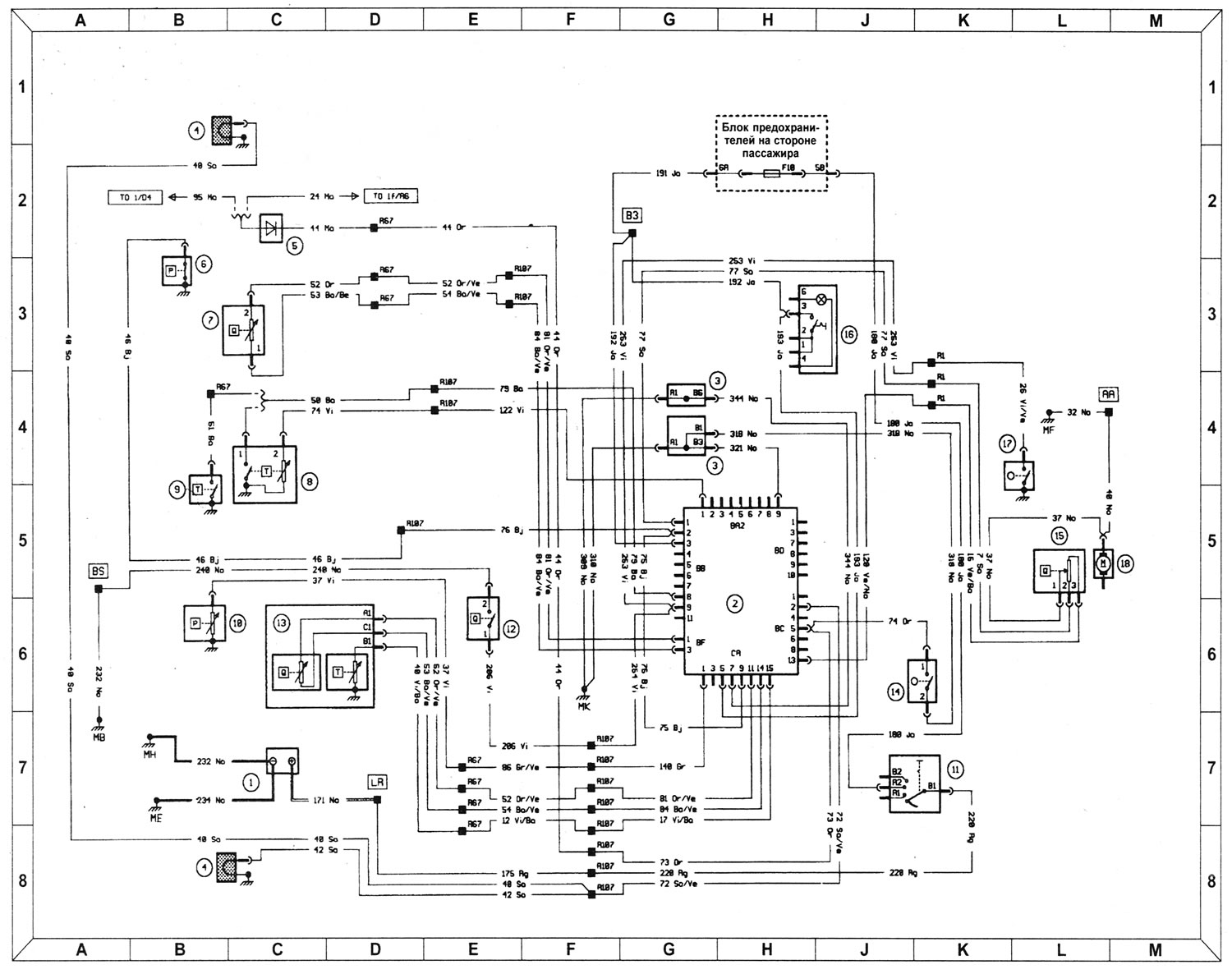
Ключ да схемы
- 1 - Акумулятар
- 2 - Шчыток прыбораў
- 3 - Шунт
- 4 - Датчык зносу тармазных накладак
- 5 - Дыёд кантролю тэмпературы ў маторным адсеку
- 6 - Датчык ціску алею
- 7 - Датчык ўзроўню алею
- 8 - Датчык паказальніка тэмпературы охл. вадкасці
- 9 - Датчык тэмпературы охл. вадкасці
- 10 - Датчык паказальніка ціску алею
- 11 - Выключальнік запальвання
- 12 - Датчык нізкага ўзроўню тармазной вадкасці
- 13 - Датчык ўзроўню / тэмпературы алею
- 14 - Датчык засланкі
- 15 - Датчык ўзроўню паліва
- 16 - Выключальнік абагравальніка задняга шкла
- 17 - Выключальнік кантрольнай лямпы ручнога тормазу
- 18 - Паліўная помпа

