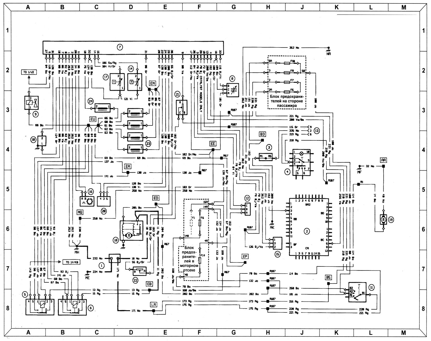
Ключ да схемы
- 1 - Акумулятар
- 2 - Шчыток прыбораў
- 3 - Шунт
- 4 - Выключальнік аварыйнай сігналізацыі
- 5 - Рэле блакавання ўпырску
- 6 - Рэле паліўнай помпы
- 7 - Працэсарны блок сістэмы ўпырску паліва
- 8 - Датчык ціску ва ўпуск, калектары
- 9 - Электрамагнітны клапан рэцыркуляцыі паліўных пар (з каталізатарам)
- 10 - Датчык дэтанацыі
- 11 - Замак запальвання
- 12 - Лямбда-датчык (з каталізатарам)
- 13 - Дыягнастычны раздым
- 14 - Датчык тэмпературы охл. вадкасці
- 15 - Датчык хуткасці аўтамабіля
- 16 - Датчык частаты кручэння махавік
- 17 - Датчык тэмпературы паветра
- 18 - Стартар
- 19 - Паліўная помпа
- 20 - Рэгулятар частаты хол. хада
- 21 - Патэнцыяметр дросельнай засланкі
- 22 - Потенциометр рэгулявання сумесі (без каталізатара)
- 23 - Паліўныя фарсункі
- 24 - Фарсунка халоднага запуску (з каталізатарам)

