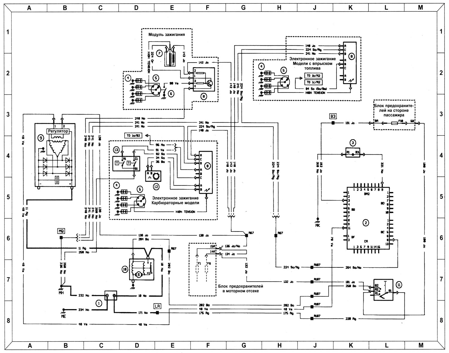
Ключ да схемы
- 1 - Акумулятар
- 2 - Шчыток прыбораў
- 3 - Шунт
- 4 - Свечкі запальвання
- 5 - Размеркавальнік запальвання
- 6 - Перарывальнік кантактаў
- 7 - Шпулька запальвання
- 8 - Модуль запальвання
- 9 - Генератар
- 10 - Стартар
- 11 - Выключальнік запальвання
- 12 - Датчык частаты кручэння махавік
- 13 - Тэрмавыключальнік карэкцыі моманту запальвання (не на ўсіх мадэлях)

