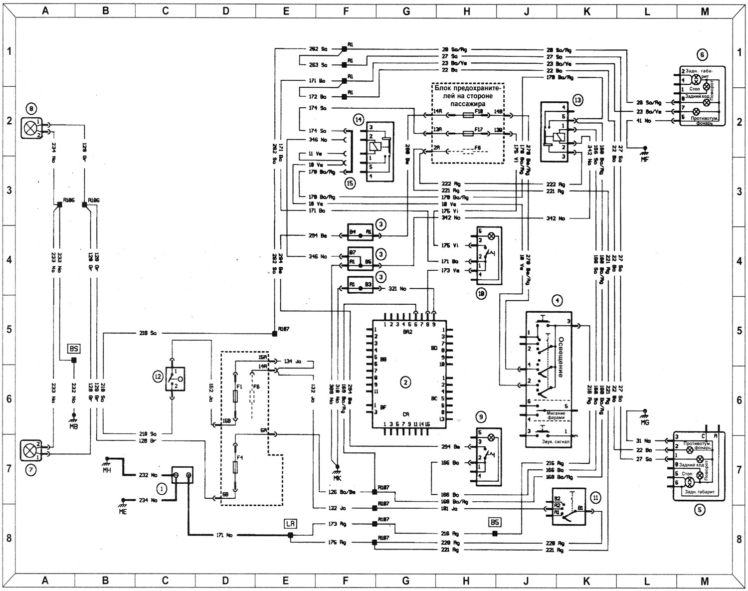
Ключ да схемы
- 1 - Акумулятар
- 2 - Шчыток прыбораў
- 3 - Шунт
- 4 - Камбінаваны перамыкач -асвятленне, паказальнікі павароту і гукавы сігнал
- 5 - Левы блок задніх ліхтароў
- 6 - Правы блок задніх ліхтароў
- 7 - Пярэдняя левая противотум. фара
- 8 - Пярэдняя правая противотум. фара
- 9 - Выключальнік пярэдніх протівотуме. фар
- 10 - Выключальнік задніх противотум. ліхтароў
- 11 - Выключальнік запальвання
- 12 - Выключальнік ліхтароў задняга ходу
- 13 - Рэле пярэдніх протівотуме. фар
- 14 - Рэле задніх противотум. ліхтароў
- 15 - Шунт

