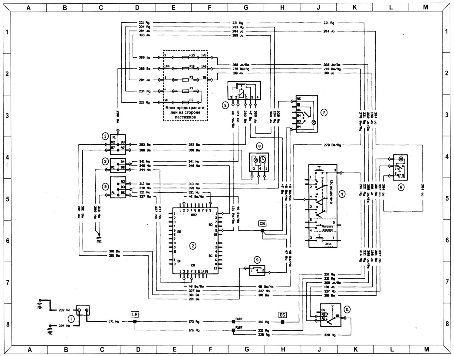
Ключ да схемы
- 1 - Акумулятар
- 2 - Шчыток прыбораў
- 3 - Шунт
- 4 - Камбінаваны перамыкач - асвятленне, паказальнікі павароту і гукавы сігнал
- 5 - Рэле рэастата
- 6 - прыпальвальнік
- 7 - Выключальнік нагнетателя ацяпляльніка
- 8 - Гадзіннік
- 9 - Рэгулятар асвятлення шчытка прыбораў
- 11 - Выключальнік запальвання

