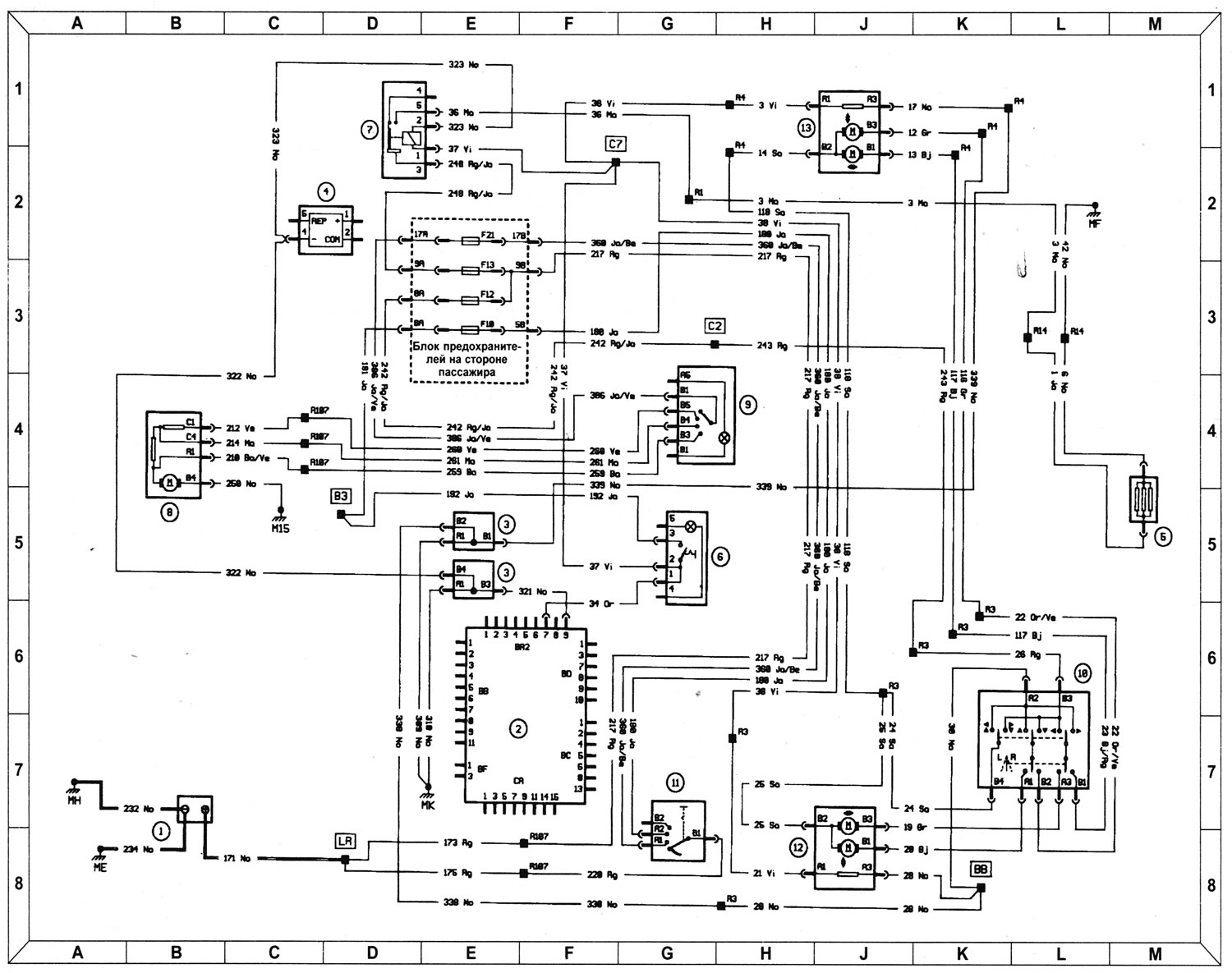
Ключ да схемы
- 1 - Акумулятар
- 2 - Шчыток прыбораў
- 3 - Шунт
- 4 - Рэле паказальнікі павароту
- 5 - Абагравальнік задняга шкла
- 6 - Выключальнік абагравальніка задняга шкла
- 7 - Рэле абагравальніка задняга шкла
- 8 - Матор нагнетателя ацяпляльніка
- 9 - Выключальнік нагнетателя ацяпляльніка
- 10 - Пераключальнік кіравання люстэркамі
- 11 - Выключальнік запальвання
- 12 - Левае электроуправляемое люстэрка
- 13 - Правае электроуправляемое люстэрка

