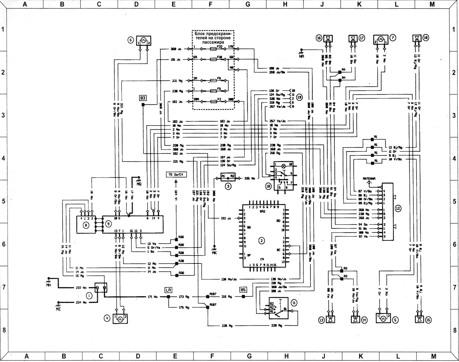
Ключ да схемы
- 1 - Акумулятар
- 2 - Шчыток прыбораў
- 3 - Шунт
- 4 - Датчык АБС (пярэдняе левае кола)
- 5 - Датчык АБС (задняе левае кола)
- 6 - Датчык АБС (пярэдняе правае кола)
- 7 - Датчык АБС (задняе правае кола)
- 8 - Гідраўлічны блок АБС
- 9 - Працэсарны блок АБС
- 10 - Выключальнік аварыйнай сігналізацыі
- 11 - Выключальнік запальвання
- 12 - Блок аўтамагнітолы
- 13 - Пярэдні левы дынамік (прыборная панэль)
- 14 - Пярэдні левы дынамік (дзверы)
- 15 - Задні левы дынамік
- 16 - Пярэдні правы дынамік (прыборная панэль)
- 17 - Пярэдні левы дынамік (дзверы)
- 18 - Задні правы дынамік
- 19 - Дыягнастычны раздым

