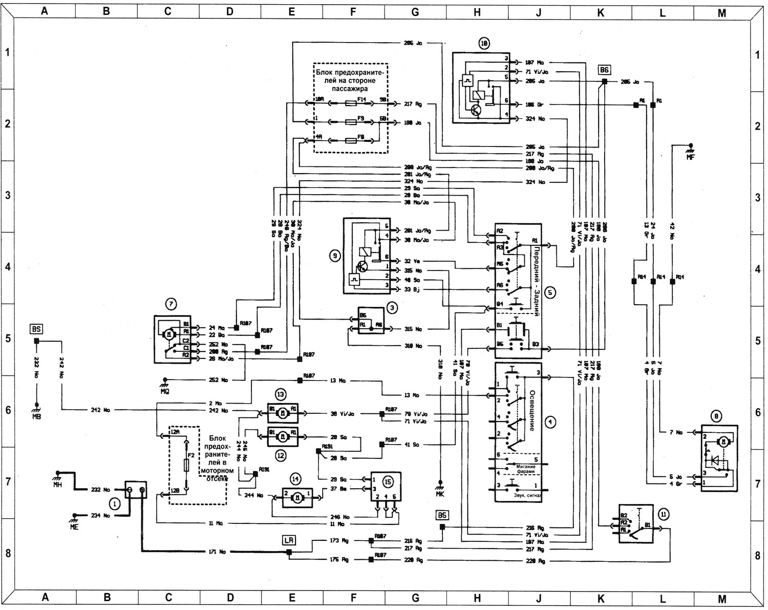
Ключ да схемы
- 1 - Акумулятар
- 2 - Шчыток прыбораў
- 3 - Шунт
- 4 - Камбінаваны перамыкач - асвятленне, паказальнікі павароту і гукавы сігнал
- 5 - Камбінаваны перамыкач -ачышчальнік / абмывальнік шкла
- 6 - Гукавы сігнал
- 7 - Матор пярэдняга шклоачышчальніка
- 8 - Матор задняга шклоачышчальніка
- 9 - Рэле пярэдняга шклоачышчальніка
- 10 - Рэле задняга шклоачышчальніка
- 11 - Выключальнік запальвання
- 12 - Помпа пярэдняга шклоамывальніка
- 13 - Помпа задняга шклоамывальніка
- 14 - Помпа абмывальніка фар
- 15 - Рэле абмывальніка фар

