- В случае снятия верхнего кожуха опоры, тяги ограничителя или кронштейна, закрепленного на чашке опоры подвески, соблюдайте указанный ниже порядок затяжки резьбовых соединений снятых деталей.
- Установку проводите в следующей последовательности:
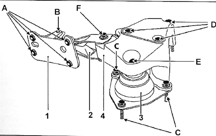
- установите кронштейн тяги ограничителя (1, рис. 4.42) на чашку крепления амортизационной стойки и затяните болты (А) моментом 30 Н·м;
- установите тягу (2) на кронштейн (1), не затягивая крепления;
- установите упругую подушку (3) на чашку крепления стойки подвески и затяните болты (С) моментом от 50-65 Н·м; установите верхний кожух опоры маятниковой подвески (4) на резиновую подушку (3) и соедините его с тягой (2). Затяните моментом 105 Н·м болт (В) крепления тяги (2) к кронштейну (1).
Рис. 4.42. Опоры маятниковой подвески: А - болт, 30 Н·м;В - болт, 105 Н·м; С - болт, 50-65 Н·м; D - болт, 62 Н·м; Е - болт, 62 Н·м; F - болт, 105 Н·м; 1 - кронштейн; 2 - тяга; 3 - упругая подушка; 4 - верхний кожух опоры маятниковой подвески
- Установите двигатель и затяните моментом 62 Н·м болты (D) крепления верхнего кожуха к двигателю.
- Затяните моментом 62 Н·м болт (Е) крепления верхнего кожуха к резиновой подушке (3) и моментом 105 Н·м - болт (F) крепления тяги (2) к верхнему кожуху (4).
