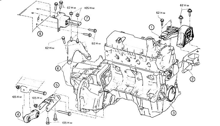
Двигатель К7М: 1. Монтажная опора головки блока цилиндров. 2. Передний боковой лонжерон. 3. Двигатель с коробкой передач в сборе. 4. Реактивная тяга двигателя. 5. Опора реактивной тяги двигателя. 6. Опора коробки передач. 7. Упругая опора коробки передач на кузове. 8. Передний боковой лонжерон.
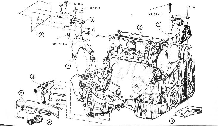
Двигатель К4М: 1. Правая монтажная опора двигателя. 2. Двигатель с коробкой передач в сборе. 3. Передний боковой лонжерон. 4. Реак-тивнаятят а двигателя. 5. Передний подрамник. 6. Опора реактивной тяги двигателя 7. Опора коробки передач. 8. Передний боковой лонжерон 9. Упругая опора коробки передач на кузове.
Внимание:
- В процессе работы использовать защитные перчатки.
- Во избежание утечек хладагента из системы кондиционирования воздуха следить за тем, чтобы не повредить трубопроводы (не деформировать, не перекручивать и т.п.). Для предотвращения проникновения атмосферной влаги в систему кондиционирования, необходимо своевременно закупорить все отверстия контура хладагента.
Снятие силового агрегата
Внимание: Для предотвращения падения автомобиля с подъемника привязать его к подъемнику лентами безопасности.
1. Поместить автомобиль на двустоечный подъемник.
2. Отвернуть болты крепления и снять защитный поддон двигателя.
3. Если необходимо, слить моторное масло с двигателя.
4. Слить трансмиссионное масло из коробки передач.
5. Слить охлаждающую жидкость из системы охлаждения.
6. С помощью специальной станции слить хладагент из контура системы кондиционирования.
7. Снять аккумуляторную батарею.
8. Снять блок воздушного фильтра двигателя.
9. Снять передние колеса с автомобиля.
10. Снять передние подкрылки.
11. Снять реактивную тягу двигателя:
- Отвернуть болт реактивной тяги двигателя от подрамника.
- Отвернуть болт реактивной тяги двигателя от опоры.
- Снять реактивную тягу двигателя.
- Отвернуть болты крепления и снять опору реактивной тяги двигателя.
12. Снять передние левый и правый приводные валы.
13. Снять передний подрамник.
14. Выкрутить из компрессора кондиционера болты кронштейнов трубопроводов хладагента.
15. Слить рабочую жидкость гидроусилителя рулевого управления.
16. Снять насос гидроусилителя рулевого управления.
17. Снять трубопровод высокого давления с рулевого редуктора.
18. Снять трубопровод низкого давления с рулевого редуктора.
19. Закупорить все открывшиеся отверстия заглушками.
20. Двигатель К4М (16 клапанов): с помощью клещей для шланговых хомутов (Mot. 1448) отсоединить хомут (1) шланга на впускном патрубке системы охлаждения.

21. С помощью клещей для шланговых хомутов (Mot. 1448) отсоединить хомут (1) от верхнего шланга радиатора на камере системы охлаждения. Отсоединить верхний шланг радиатора от камеры системы охлаждения.
Двигатель К7М(8 клапанов)
Двигатель К4М(16 клапанов)
22.Отсоединить шланги (2) от сердечника отопителя с помощью специальных клещей для шланговых хомутов (Mot. 1202-01) или (Mot. I202-02).
Двигатель К7М(8 клапанов)
Двигатель К4М(16 клапанов)
23.Отсоединить подающий топливопровод (3) от топливной рампы.
Двигатель К7М(8 клапанов)
Двигатель К4М(16 клапанов)
Внимание:
- При выполнении работ с компонентами системы питания запрещено курить или пользоваться открытым пламенем на рабочем месте.
- Соблюдать осторожность, поскольку при отсоединении разъема может вытечь топливо.
24.Закупорить заглушками подающий топливопровод и топливную рампу.
25.Отсоединить разъем (5) вакуумного трубопровода усилителя тормозов от впускного коллектора.
Двигатель К7М (8 клапанов)
Двигатель К4М(16 клапанов)
26. Отцепить патрубок рециркуляции паров топлива (6) и провод (7) конденсации паров топлива.
Двигатель К7М (8 клапанов)
Двигатель К4М(16 клапанов)
27. Отсоединить патрубок абсорбера паров топлива (8), разъем электромагнитного клапана (9) и разъем (10) датчика давления хладагента в контуре системы кондиционирования.

28. Отцепить проводку и убрать в сторону.
29. Отсоединить разъем резистора вентилятора радиатора (13) и разъем вентилятора радиатора (14).

30.Отцепить проводку от держателей (15).
31.Oiвернуть гайку крепления шины массы к кузову.

32. Отвернуть болт шины массы (17) от механической коробки передач.

33.Снять трос привода сцепления с упорной втулки (18) и с выжимной вилки сцепления (19).

34. Снять резиновую защиту (20) с рычага переключения передач.

35. Отвернуть крепежный болт (21) от вилки рычага переключения передач.

Примечание: Тяга подсоединяется посредством проставки. Следить затем, чтобы не ослаблять проставку при извлечении болта (21).
36.Отвернуть гайку от соединительной тяги коробки передач.
37. Убрать привод переключения передач в сторону.
38.Отвернуть гайку (22).

39. Отсоединить разъемы блока управления двигателем (23).

40. Снять крышку соединительного блока моторного отсека.
41. Отцепить держатель реле и предохранителей от опор в корпусе блока реле и предохранителей моторного отсека.
42. Поместить проводку, предохранители и реле на двигатель.
43. Подпереть двигатель с коробкой передач в сборе в указанных на рисунке местах (24) с помощью опорно, о стенда (Mot. 1390) (25).


Примечание: Пометить положение монтажных опор на двигателе.
44. Снять правую монтажную опору двигателя.
45. Снять левую монтажную опору двигателя.
Примечание: Убедиться в том, что двигатель и коробка передач не цепляются за кузов.
46. Поднять автомобиль подъемником, чтобы снять двигатель с коробкой передач с автомобиля.
Установка силового агрегата
Внимание:
- Для предотвращения нарушения герметичности убедиться в том, что прокладка и контактные поверхности патрубков находятся в хорошем состоянии. Контактные поверхности должны быть чистыми и не иметь царапин.
- Заглушки должны извлекаться из отверстий любых компонентов непосредственно перед установкой компонента. Кроме того, новые детали должны извлекаться из упаковки также непосредственно перед установкой.
Установка производится в порядке обратном снятию, с соблюдением требуемых моментов затяжки
Заправить контур гидроусилителя рулевого управления.
Заправить и прокачать систему охлаждения двигателя.
Заправить трансмиссионное масло в коробку передач.
Если необходимо, заправить моторное масло.
С помощью специальной станции заправить систему кондиционирования воздуха.
Проверить наличие утечек различных систем.
Моменты затяжки резьбовых соединений
| Резьбовые соединения | Момент затяжки |
| Крепежный болт вилки рычага переключения передач | 27.5 Н·м |
| Болт крепления шины массы к коробке передач | 21 Н·м |
