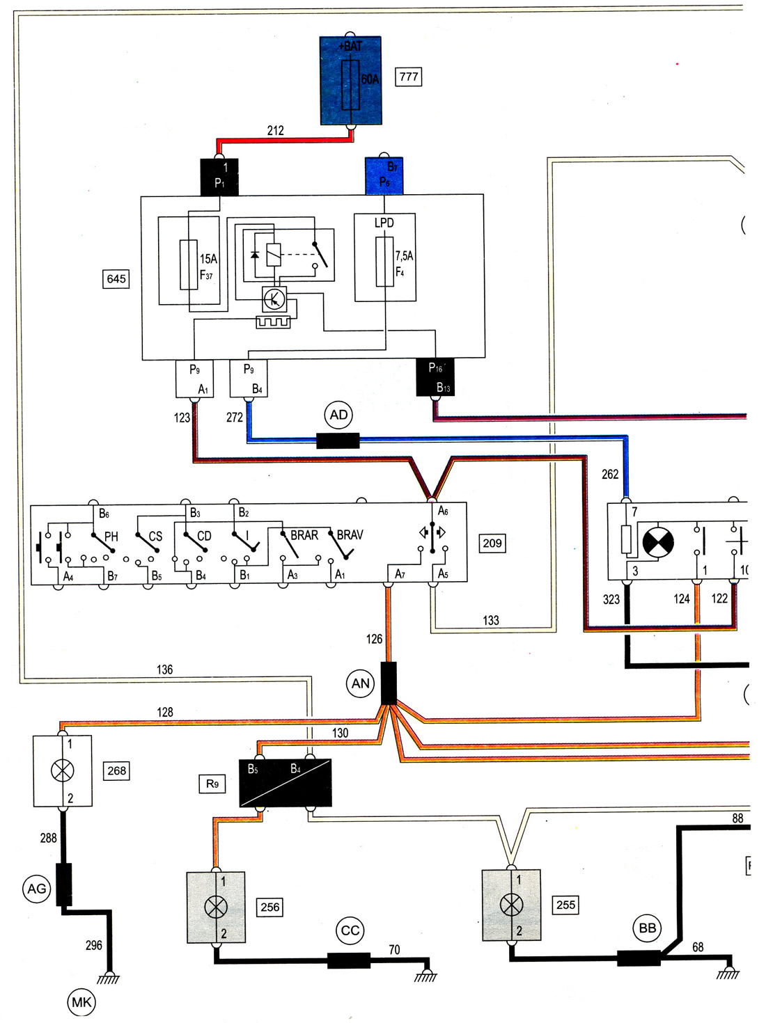
Схема 25. Паказальнікі павароту і аварыйная светлавая сігналізацыя (Renault Scenic 1)
Гэты артыкул даступны на: рускай, англійскай, балгарскай, украінскай, сербскай, харвацкай, румынскай, польскай, славацкай, венгерскай
Артыкул быў правераны рэдактарам: Федасееў Дзяніс
Падзяліцеся з сябрамі:
Іншыя артыкулы па іншых мадэлях Рэно
➽ Схема 5. Паказальнікі павароту і аварыйная сігналізацыя Рэно Логан 1 (2004-2012, бензін)
➽ Схема 2а: Вонкавае асвятленне — стоп-сігналы і паказальнікі… Рэно Кліё 1 (1990-1998)
➽ Паказальнікі павароту і аварыйная сігналізацыя Рэно Сандэра 1 (2007-2012, бензін)
➽ Схема 1. Сістэма запуску і зарада, вентылятар сістэмы… Рэно Сімбол 1 (1999-2008, бензін)
➽ Аварыйная нацяжная прылада рамяня бяспекі Рэно Рэно 19 (1988-1996)
Спасылка на гэты артыкул у розных фарматах
TEXTHTMLBB Code
Водгукі і каментарыі наведвальнікаў
Каментароў пакуль няма
- Агульная інфармацыя
- Інструкцыя па эксплуатацыі
- Тэхнічнае абслугоўванне
- Выяўленне няспраўнасцяў
- Сілавы агрэгат
- Рамонт рухавікоў
- Астуджэнне і вентыляцыя
- Сістэма ўпырску (бензін)
- Сістэма харчавання (дызель)
- Паліўная сістэма
- Выхлапная сістэма
- Сістэма запальвання
- Трансмісія
- Счапленне
- Скрынка перадач
- Шасі, хадавая частка
- Тармазная сістэма
- Падвеска аўтамабіля
- Рулявое кіраванне
- Кузаў і салон
- Экстэр'ер (вонкавыя элементы)
- Інтэр'ер (унутраныя элементы)
- Дзверы, замкі і вокны
- Электраабсталяванне
- Абсталяванне і прыборы
- Фары і асвятленне
- Сілавыя прылады
- Электрычныя схемы


