Беларускі Русский
English
Български
Український
Српски
Hrvatski
Română
Polski
Slovenský
Magyar
У закладкі Кантакты Артыкулы Мапа Пошук:
Аўтамабілі маркі Peugeot Аўтамабілі маркі Opel Аўтамабілі маркі Skoda Аўтамабілі маркі Land Rover Аўтамабілі маркі Mitsubishi Аўтамабілі маркі Volkswagen Аўтамабілі маркі Honda
RenaultBook.ru
 
 
 
 
 
 
 
 
 
 
 
Duster   Fluence   Kangoo   Laguna   Logan   Megane   Sandero   Scenic   Symbol   Clio   Іншыя
Сцэнік 1 (1996-2003)

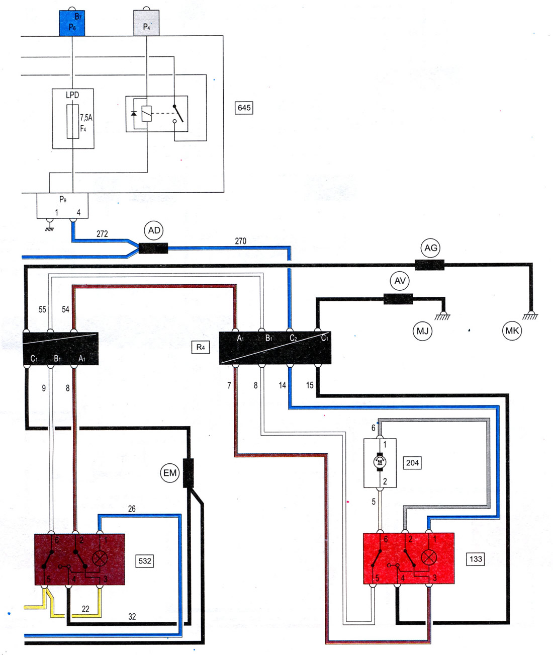
Схема 26. Шклапад'ёмнікі з электрапрывадам (Renault Scenic 1)

  • Галоўная
  • Scenic
  • Сцэнік 1 (1996-2003)
  • Электраабсталяванне
  • Электрычныя схемы
  • Схема 26. Шклапад'ёмнікі з электрапрывадам
0

Схема 26. Шклапад'ёмнікі з электрапрывадам




Открыть большую картинку в новой вкладке »



Открыть большую картинку в новой вкладке »
Гэты артыкул даступны на: рускай, англійскай, балгарскай, украінскай, сербскай, харвацкай, румынскай, польскай, славацкай, венгерскай
Артыкул быў правераны рэдактарам: Федасееў Дзяніс
Падзяліцеся з сябрамі:
Папярэднія
Сцэнік 1: Электрычныя схемы
Наступныя

Схема 25. Паказальнікі павароту і аварыйная светлавая сігналізацыя
Схема 24. Стаяначныя агні
Схема 23. Размеркавальная плата (падача харчавання пры ўключэнні…
Схема 22. Сілкаванне прыбораў салона
Схема 21. Прыпальвальнік для цыгарэт
Схема 27. Цэнтральны замак (аўтамабілі з люкам)
Іншыя артыкулы па іншых мадэлях Рэно

➽ Пярэднія шклапад'ёмнікі з электрапрывадам Рэно Дастэр 1 (2009-2017)
➽ Схема 9. Упраўленне дызельным рухавіком, электрычныя… Рэно Сімбол 1 (1999-2008, бензін)
➽ Схема 3c: Дадатковыя ланцугі — электрычныя шклапад'ёмнікі і… Рэно Кліё 1 (1990-1998)
➽ Электрычныя шклапад'ёмнікі — зняцце і ўстаноўка Рэно Рэно 19 (1988-1996)
➽ Дзверы — замкі і шклапад'ёмнікі Рэно Сандэра 1 (2007-2012, бензін)
Спасылка на гэты артыкул у розных фарматах
TEXTHTMLBB Code
Водгукі і каментарыі наведвальнікаў
Каментароў пакуль няма


Складзеце два лікі 34 + 48

       





Сцэнік 1 (1996-2003) 
  • Агульная інфармацыя
  • Інструкцыя па эксплуатацыі
  • Тэхнічнае абслугоўванне
  • Выяўленне няспраўнасцяў
  • Сілавы агрэгат
  • Рамонт рухавікоў
  • Астуджэнне і вентыляцыя
  • Сістэма ўпырску (бензін)
  • Сістэма харчавання (дызель)
  • Паліўная сістэма
  • Выхлапная сістэма
  • Сістэма запальвання
  • Трансмісія
  • Счапленне
  • Скрынка перадач
  • Шасі, хадавая частка
  • Тармазная сістэма
  • Падвеска аўтамабіля
  • Рулявое кіраванне
  • Кузаў і салон
  • Экстэр'ер (вонкавыя элементы)
  • Інтэр'ер (унутраныя элементы)
  • Дзверы, замкі і вокны
  • Электраабсталяванне
  • Абсталяванне і прыборы
  • Фары і асвятленне
  • Сілавыя прылады
  • Электрычныя схемы
RenaultBook.ru © 2018–2025 | Мабільная версія | Навіны і артыкулы | Мапа сайту: EN BG BY UA RS HR RO PL SK HU | Адміністрацыя | Пошук па сайце | У закладкі
Дастэр 1 (2009-2017) | Флюенс 1 (2009-2020, бензін) | Кангу 1 (1997-2007) | Лагуна 2 (2001-2007) | Логан 1 (2004-2012, бензін) | Логан 2 (2012-2020) | Меган 1 (1995-2002) | Меган 2 (2002-2009, бензін) | Сандэра 1 (2007-2012, бензін) | Сцэнік 1 (1996-2003) | Сімбол 1 (1999-2008, бензін) | Сімбол 2 (2008-2013, бензін) | Кліё 1 (1990-1998) | Рэно 19 (1988-1996) | Espace I і II (1984-1996) | Espace III (1996-2002) |