Беларускі Русский
English
Български
Український
Српски
Hrvatski
Română
Polski
Slovenský
Magyar
У закладкі Кантакты Артыкулы Мапа Пошук:
Аўтамабілі маркі Peugeot Аўтамабілі маркі Opel Аўтамабілі маркі Skoda Аўтамабілі маркі Land Rover Аўтамабілі маркі Mitsubishi Аўтамабілі маркі Volkswagen Аўтамабілі маркі Honda
RenaultBook.ru
 
 
 
 
 
 
 
 
 
 
 
Duster   Fluence   Kangoo   Laguna   Logan   Megane   Sandero   Scenic   Symbol   Clio   Іншыя
Сцэнік 1 (1996-2003)

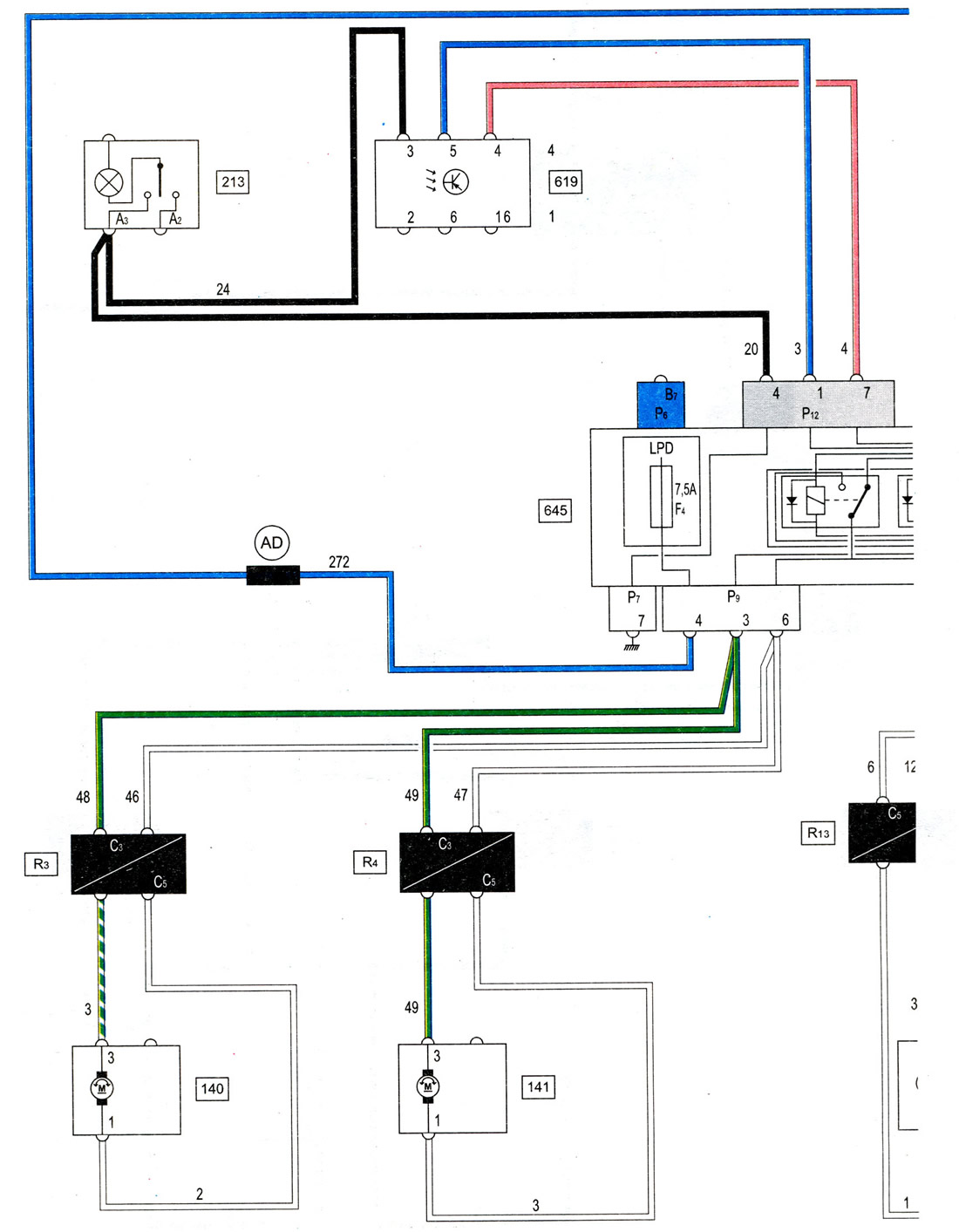
Схема 27. Цэнтральны замак (аўтамабілі з люкам) (Renault Scenic 1)

  • Галоўная
  • Scenic
  • Сцэнік 1 (1996-2003)
  • Электраабсталяванне
  • Электрычныя схемы
  • Схема 27. Цэнтральны замак (аўтамабілі з люкам)
0

Схема 27. Цэнтральны замак (аўтамабілі з люкам)




Открыть большую картинку в новой вкладке »



Открыть большую картинку в новой вкладке »
Гэты артыкул даступны на: рускай, англійскай, балгарскай, украінскай, сербскай, харвацкай, румынскай, польскай, славацкай, венгерскай
Артыкул быў правераны рэдактарам: Федасееў Дзяніс
Падзяліцеся з сябрамі:
Папярэднія
Сцэнік 1: Электрычныя схемы
 

Схема 26. Шклапад'ёмнікі з электрапрывадам
Схема 25. Паказальнікі павароту і аварыйная светлавая сігналізацыя
Схема 24. Стаяначныя агні
Схема 23. Размеркавальная плата (падача харчавання пры ўключэнні…
Схема 22. Сілкаванне прыбораў салона
 
Іншыя артыкулы па іншых мадэлях Рэно

➽ Схема 8. Электрапрывад люстэркаў, аўдыёсістэма, цэнтральны… Рэно Сімбол 1 (1999-2008, бензін)
➽ Схема 3c: Дадатковыя ланцугі — электрычныя шклапад'ёмнікі і… Рэно Кліё 1 (1990-1998)
➽ Цэнтральны замак Рэно Рэно 19 (1988-1996)
➽ Цэнтральны замак Рэно Логан 2 (2012-2020)
➽ Замак запальванні Рэно Кангу 1 (1997-2007)
Спасылка на гэты артыкул у розных фарматах
TEXTHTMLBB Code
Водгукі і каментарыі наведвальнікаў
Каментароў пакуль няма


Складзеце два лікі 21 + 20

       





Сцэнік 1 (1996-2003) 
  • Агульная інфармацыя
  • Інструкцыя па эксплуатацыі
  • Тэхнічнае абслугоўванне
  • Выяўленне няспраўнасцяў
  • Сілавы агрэгат
  • Рамонт рухавікоў
  • Астуджэнне і вентыляцыя
  • Сістэма ўпырску (бензін)
  • Сістэма харчавання (дызель)
  • Паліўная сістэма
  • Выхлапная сістэма
  • Сістэма запальвання
  • Трансмісія
  • Счапленне
  • Скрынка перадач
  • Шасі, хадавая частка
  • Тармазная сістэма
  • Падвеска аўтамабіля
  • Рулявое кіраванне
  • Кузаў і салон
  • Экстэр'ер (вонкавыя элементы)
  • Інтэр'ер (унутраныя элементы)
  • Дзверы, замкі і вокны
  • Электраабсталяванне
  • Абсталяванне і прыборы
  • Фары і асвятленне
  • Сілавыя прылады
  • Электрычныя схемы
RenaultBook.ru © 2018–2025 | Мабільная версія | Навіны і артыкулы | Мапа сайту: EN BG BY UA RS HR RO PL SK HU | Адміністрацыя | Пошук па сайце | У закладкі
Дастэр 1 (2009-2017) | Флюенс 1 (2009-2020, бензін) | Кангу 1 (1997-2007) | Лагуна 2 (2001-2007) | Логан 1 (2004-2012, бензін) | Логан 2 (2012-2020) | Меган 1 (1995-2002) | Меган 2 (2002-2009, бензін) | Сандэра 1 (2007-2012, бензін) | Сцэнік 1 (1996-2003) | Сімбол 1 (1999-2008, бензін) | Сімбол 2 (2008-2013, бензін) | Кліё 1 (1990-1998) | Рэно 19 (1988-1996) | Espace I і II (1984-1996) | Espace III (1996-2002) |