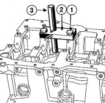
Установите кондуктор в пластину (конец кондуктора должен войти в отверстие под форсунку) для центровки пластины.
Рис. 2.156. Установка форсунки цилиндров 1 и 3: 1 – болты; 2 – приспособление; 3 – кондуктор
Затяните два болта крепления. Извлеките кондуктор (рис. 2.156).
Установите оправку вместо кондуктора. Вставьте форсунку в оправку.
Внимание! Во время установки форсунки ее наконечник должен быть направлен к центру цилиндра.
Рис. 2.157. Завальцовка форсунки: 1 – кондуктор; 2 – буртик
Нанесите несколько ударов молотком по оправке до соприкосновения буртика оправки с опорой (рис. 2.157).
