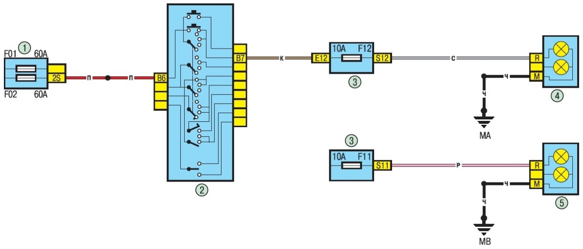
Схема 7. Дальний свет

Открыть большую картинку в новой вкладке »
1 – блок предохранителей 597А в моторном отсеке (см. рис. 10.2а и 10.2б); 2 – рычаг переключателя наружного освещения и указателей поворота с кнопкой включения звукового сигнала; 3 – блок предохранителей в салоне (см. рис. 10.1)
Информация расположена на веб-сайте RenaultBook.ru
