Оглавление: Снятие 🠛 Установка 🠛
Снятие
Отсоедините провода от клемм аккумуляторной батареи, начиная с минусовой клеммы.
Снимите силовой агрегат и турбокомпрессор.
Рис. 2.261. Снятие выпускного коллектора
Открутите гайки шпилек крепления и снимите выпускной коллектор (рис. 2.261).
Текст доступен на этом сайте: RENAULTBOOK
Установка
Установка производится в порядке, обратном снятию.
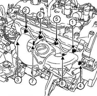
Рис. 2.262. Порядок затягивания гаек крепления выпускного коллектора
Затяните в показанном на рисунке 2.262 порядке требуемым моментом (20 Н·м) гайки шпилек крепления выпускного коллектора.
Установите турбокомпрессор и силовой агрегат.
Внимание! При снятии и установке турбокомпрессора необходимо строго соблюдать методику ремонта, чтобы обеспечить герметичность системы. Несоблюдение этих указаний может повлечь снижение безопасности водителя.
