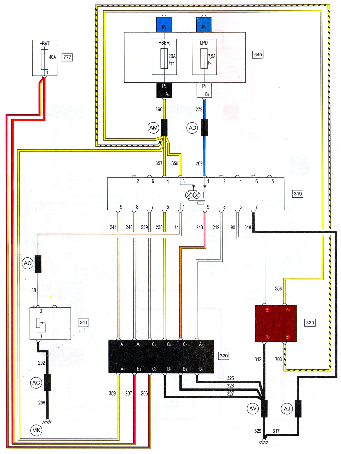
Схема 11. Отопитель салона (Renault Scenic 1)
Эта статья доступна на: английском, болгарском, белорусском, украинском, сербском, хорватском, румынском, польском, словацком, венгерском
Статья была проверена редактором: Федосеев Денис
Поделитесь с друзьями:
Прочие статьи по другим моделям Рено
➽ Схема 2с: Внутреннее освещение — переключатели и освещение… Рено Клио 1 (1990-1998)
➽ Схема 14. Впрыск топлива (со стороны салона) Рено Эспейс I и II (1984-1996)
➽ Схема 7. Освещение салона, стеклоочистители, омыватели фар,… Рено Симбол 1 (1999-2008, бензин)
➽ Схема 9. Электровентилятор системы отопления и вентиляции салона Рено Логан 1 (2004-2012, бензин)
➽ Освещение салона Рено Кангу 1 (1997-2007)
Ссылка на эту статью в разных форматах
TEXTHTMLBB Code
Отзывы и комментарии посетителей
Комментариев пока нет
- Общая информация
- Руководство по эксплуатации
- Техническое обслуживание
- Выявление неисправностей
- Силовой агрегат
- Ремонт двигателей
- Охлаждение и вентиляция
- Система впрыска (бензин)
- Система питания (дизель)
- Топливная система
- Выхлопная система
- Система зажигания
- Трансмиссия
- Сцепление
- Коробка передач
- Шасси, ходовая часть
- Тормозная система
- Подвеска автомобиля
- Рулевое управление
- Кузов и салон
- Экстерьер (наружные элементы)
- Интерьер (внутренние элементы)
- Двери, замки и окна
- Электрооборудование
- Оборудование и приборы
- Фары и освещение
- Силовые устройства
- Электрические схемы
Автомобильный анекдот
покажите мне ещё

