2. Большасць дзеянняў, уключаных у гэтую Частку, заснаваны на ўмове, што рухавік усталяваны ў аўтамабілі. Таму, калі гэтая інфармацыя выкарыстоўваецца пры пераборцы ўжо знятага рухавіка, то многія апісаныя тут працэдуры можна прапусціць.
Рухавік - агульнае апісанне
3. Усе рухавікі F-серыі маюць 4-х цыліндравую, рядную канструкцыю, і ўстаноўлены папярочна на пярэднім баку аўтамабіля. Рухавікі F3P маюць адзін верхні распредвал (8 клапанаў), а рухавікі F7P-два верхніх распредвала (16 клапанаў) (гл. ілюстрацыю).
1.3. Агульны выгляд рухавіка F7P серыі F (з 16 клапанамі).
4. Калянвал падтрымліваецца ў блоку цыліндраў на пяці карэнных падшыпніках. У карэнным падшыпніку №2 устаноўлены ўпартыя шайбы, якія рэгулююць восевы зазор коленвала.
5. Шатуны замацаваныя на каленвале пасродкам шатунных падшыпнікаў з укладышамі, а на поршнях - поршневымі пальцамі, якія нерухома пасаджаныя ў шатунах. Поршневыя пальцы запрасаваныя ў шатуны на ўсіх рухавіках акрамя F7P (16 клапанаў), у якім яны плаваюць, замацаваныя стопарнымі кольцамі. Поршні выраблены з алюмініевага сплава і абсталяваны трыма кольцамі, два компрессіонные і адно маслосъемное.
6. Распредвал усталяваны непасрэдна ў галоўцы блока цыліндраў, і прыводзіцца зубчастым рамянём ад коленвала.
7. На рухавіках F3P распредвал кіруе клапанамі праз штурхачы з рэгулявальнай шайбай. Рэгуляванне зазору клапанаў ажыццяўляецца шляхам падбору таўшчыні шайбы, усталяванай паміж штурхачом і працоўным выступам кулачка. Впускныя і выпускныя клапаны ўсталяваны вертыкальна ў галоўцы блока цыліндраў і кожны з іх зачынены адной спружынай.
8. На рухавіку F7P (16 клапанаў), распредвал кіруе клапанамі праз гідраўлічныя штурхачы. Зазор клапанаў рэгулюецца аўтаматычна. Впускныя клапаны нахіленыя да перадпакоя часткі рухавіка і кіруюцца перадпакоям распредвалом (впускным). Выпускныя клапаны нахіленыя да задняй часткі рухавіка і кіруюцца заднім распредвалом (выпускным). У кожным цыліндры маецца чатыры клапана, два впускных і два выпускных, якія адчыняюцца і зачыняюцца парамі.
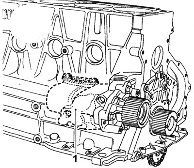
9. На ўсіх рухавіках акрамя позніх F3P, побач з коленвалом усталяваны прамежкавы вал, таксама прыводны зубчастым рамянём. Прамежкавы вал прыводзіць у дзеянне алейная помпа праз касазубую шасцярню. На позніх рухавіках F3P прамежкавага вала няма (маецца толькі зорачка роліка зубчастага рамяня, якая займае месца зорачкі прамежкавага вала), і алейная помпа прыводзіцца ланцугом ад коленвала (гл. ілюстрацыю).
1.9. На позніх рухавіках F3P прамежкавага вала няма і яго кажух (1) выдалены з блока цыліндраў.
10. Выкарыстоўваецца напаўзакрытая сістэма вентыляцыі картэра. Картэрныя газы адцягваюцца з маслоотделителя на блоку цыліндраў і праходзяць праз шланг да впускнога калектара.
11. Змазка падаецца ў рухавік пад ціскам, ствараным алейнай помпай шестереночного тыпу, усталяваным ніжэй коленвала. Маторнае масла падаецца праз усталяваны звонку алейны фільтр да галоўнага змазвальнага канала, які абслугоўвае коленвал, прамежкавы вал і распредвал. На рухавіку F7P алейныя жыклёры ў ніжняй частцы цыліндраў у мэтах астуджэння ўпырскваюць алей у поршні (гл. ілюстрацыю).
1.11. Ланцуг змазкі на рухавіку F3P.
12. Бягунак размеркавальніка прыводзіцца непасрэдна ад распредвала (на рухавіках F7P ад распредвала выпускных клапанаў).
Рамонтныя аперацыі, якія выконваюцца без зняцця рухавіка з аўтамабіля
13. Наступныя дзеянні могуць быць выкананы без зняцця рухавіка з аўтамабіля:
- Зняцце і ўстаноўка галоўкі блока цыліндраў.
- Зняцце і ўстаноўка зубчастага прываднага рамяня і зорачак.
- Замена сальнікаў распредвала.
- Зняцце і ўстаноўка распредвала (ов).
- Зняцце і ўстаноўка паддона.
- Зняцце і ўстаноўка шатуноў і поршняў. *
- Зняцце і ўстаноўка алейнай помпы.
- Замена сальнікаў коленвала.
- Замена падвешвання рухавіка.
- Зняцце і ўстаноўка махавік (на мадэлях з аўтаматычнай трансмісіяй рухавік неабходна зняць - гл. Частку F гэтай часткі).
* Заўвага: Хоць адзначаныя зорачкай дзеянні можна выканаць з рухавіком у аўтамабілі (пасля зняцця паддона), усё ж лепш гэта зрабіць на знятым рухавіку. Па гэтай прычыне, гэтыя працэдуры апісаны ў Часткі F гэтага Раздзела.
