2. Ёсць дзве асноўныя прыкметы, якія паказваюць на няспраўнасці ў сістэме запальвання. Рухавік не запускаецца ці не іскры запальвання, ці рухавік цяжка запускаецца і маюцца пропускі запальвання. Калі адбываюцца рэгулярныя пропускі (гэта значыць увесь час працуюць толькі два ці тры цыліндру), няспраўнасць хутчэй за ўсё ў другасным ланцугу. Калі пропускі запальвання бязладныя, няспраўнасць можа быць як у першасным так і ў другасным ланцугу. Калі рухавік раптам глухне, ці не запускаецца наогул, верагодна няспраўнасць у нізкавольтным ланцугу. Страта магутнасці і перагрэў, апроч няправільнага рэгулявання карбюратара звычайна бываюць з-за няспраўнасцяў у размеркавальніку ці з-за няправільнага кута апярэджання запальвання.
Рухавік не запускаецца
3. Калі рухавік не запускаецца, але апошні раз працаваў нармальна, спачатку пераканайцеся, што ў паліўным баку ёсць паліва. Калі рухавік пракручваецца стартарам, і акумулятар цалкам зараджаны, то няспраўнасць можа быць у першасным ці другасным ланцугу. Спачатку праверце высакавольтны ланцуг. Калі акумулятар цалкам зараджаны, запальванне ўключаецца, але стартар не пракручвае коленвал, правяраць надзейнасць злучэння правадоў на клемах акумулятара, а таксама рамяня зазямлення на кузаве. Калі адна з клем акумулятара моцна грэецца пры спробе ўключэння стартара, гэта дакладная прыкмета дэфектнага злучэння гэтай клемы.
4. Адна са звычайных чыннікаў дрэннага запуску - вільгаць на правадах свечак запальвання і размеркавальніку. Зніміце вечка размеркавальніка. Калі ўсярэдзіне маецца кандэнсат, прасушыце вечка рыззём, а таксама працярыце правады. Усталюеце вечка.
5. Калі рухавік усё яшчэ не запускаецца, праверце, дасягае ток свечак. Для гэтага па чарзе адлучайце правады ад свечак і, утрымліваючы канец провада на адлегласці прыблізна 5 мм ад блока цыліндраў, правярніце рухавік стартарам.
6. Паміж канцом правады і блокам павінна рэгулярна праскокваць моцная блакітная іскра. Трымайце провад ізаляванымі абцугамі, каб пазбегнуць удару токам. Калі іскра ёсць, зніміце свечкі, ачысціце іх і адрэгулюйце міжэлектродныя зазоры. Цяпер рухавік павінен запусціцца.
7. Калі іскры няма, адлучыце цэнтральны провад ад вечка размеркавальніка, і таксама паднясіце да блока. Раскруціце рухавік стартарам. Калі паміж канцом правады і блокам праскокваюць блакітныя іскры, значыць шпулька запальвання ў парадку, і магчыма парэпалася вечка размеркавальніка, няспраўны лятунок размеркавальніка, ці вугальная шчотка ў вечку не мае добры кантакт з бягункам.
8. Калі іскры ад провада шпулькі запальвання няма, праверце злучэнне провада на баку шпулькі запальвання. Калі провад злучаны, то пачынайце правяраць нізкавольтны ланцуг.
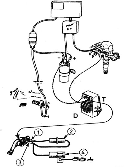
9. Перастаўце злучальнік на транзістарным блоку ў ніжняе гняздо, або адлучыце яго і злучыце кантакты 1 і 3 (гл. ілюстрацыю).
2.9. Праверка спраўнасці транзістарнай сістэмы запальвання: 1 - Клема 1; 2 - Засцерагальнік (гл тэкст); 3 - Клема 2; 4 - Кандэнсатар; D - Злучальнік; Т - Транзістарны блок; Звярніце ўвагу, што на гэтым малюнку паказана дыягнастычнае абсталяванне Renault.
Засцерагальнік 5А на малюнку абараняе дыягнастычнае абсталяванне Renault і не павінен усталёўвацца, калі гэта абсталяванне не выкарыстоўваецца. У якасці засцярогі злучыце спраўны кандэнсатар з зямлёй як паказана.
10. Выкарыстоўвайце вальтметр або лямпу на 12V і два кавалка правады. Пры ўключаным запальванні і растуленых кантактах, праверце напругу паміж нізкавольтным провадам на дадатнай (+) клеме шпулькі запальвання і зямлёй. Калі напругі няма, значыць сілкаванне ад замка запальвання не прыходзіць. Праверце злучэнні ў выключальніку. Калі напруга зараз маецца, гэта кажа аб няспраўнасці шпулькі запальвання ці кандэнсатара, ці абрыве провада паміж шпулькай запальвання і размеркавальнікам.
11. Адлучыце провад кандэнсатара ад зборкі кантактаў, і пры растуленых кантактах праверце напругу паміж які перамяшчаецца кантактам і зямлёй. Калі напруга маецца, значыць няспраўны кандэнсатар. Усталюйце новы, як апісана ў Раздзеле 1, і няспраўнасць павінна знікнуць.
12. Калі напругі паміж які перамяшчаецца кантактам і зямлёй няма, праверце напругу паміж зямлёй і адмоўнай клемай шпулькі запальвання (-). Пры наяўнасці напругі маецца абрыў провада паміж шпулькай запальвання і размеркавальнікам. Калі напругі няма, значыць шпулька запальвання няспраўная і павінна быць заменена, пасля чаго рухавік павінен запусціцца. Не забудзьцеся далучыць провад кандэнсатара да зборкі кантактаў прерывателя. Пры гэтых выпрабаваннях для размыкання кантактаў дастаткова пракласці паміж імі кавалак паперы.
Пропускі запальвання
13. Калі маюцца рэгулярныя пропускі запальвання, дайце рухавіку папрацаваць у рэжыме падвышанай частаты халастога ходу. Здымайце па чарзе злучальнікі са свечак і слухайце змены ў характары працы рухавіка.
14. Калі характар працы рухавіка не мяняецца пры адлучэнні правады, значыць ён адлучаны ад дэфектнага ланцуга. Пры адлучэнні провада ад спраўнага ланцуга рухавік стане працаваць па-іншаму.
15. Зніміце провад высокай напругі ад дэфектнай свечкі, і паднясіце яго прыблізна на адлегласць 5 мм ад блока. Запусціце рухавік. Калі маецца моцная і рэгулярная іскра, значыць няспраўная свечка запальвання.
16. Свечка можа быць саслаблена, можа быць трэснута ізаляцыя, ці магчыма прагарэлі электроды, з-за чаго ўтварыўся занадта вялікі зазор, каб магла праскочыць іскра запальвання. Заменіце свечкі запальвання.
17. Калі іскры на канцы провада няма, або калі яна занадта слабая і няўстойлівая, праверце провад ад размеркавальніка да свечкі. Калі патрэскалася ізаляцыя, заменіце провад. Праверце злучэнні ў вечку размеркавальніка.
18. Калі іскры ўсё яшчэ няма, уважліва агледзіце вечка размеркавальніка на наяўнасць выпаленых тонкіх дарожак паміж электродамі або паміж электродам і іншай часткай размеркавальніка. Гэтыя дарожкі праводзяць электрычнасць, ствараючы тым самым замыканне. Адзінае выйсце - замена вечка размеркавальніка.
19. Акрамя няправільнага кута апярэджання запальвання, іншыя чыннікі пропускаў запальвання пералічаныя ў няспраўнасцях рухавіка. А менавіта:
- Магчыма дэфектная шпулька запальвання.
- Можа быць пашкоджаны провад або аслаблена злучэнне ў нізкавольтным ланцугу.
- Магчыма закарочаны кандэнсатар.
- Можа быць механічная няспраўнасць у размеркавальніку (зламаная вось ці спружына перарывальніка кантактаў).
20. Калі кут апярэджання запальвання моцна паменшаны, то рухавік будзе перагравацца і прыкметна ўпадзе яго магутнасць. Калі рухавік пераграваецца і звалілася магутнасць, але кут апярэджання запальвання выстаўлены правільна, то праверце карбюратар, бо верагодна няспраўнасць у ім.
