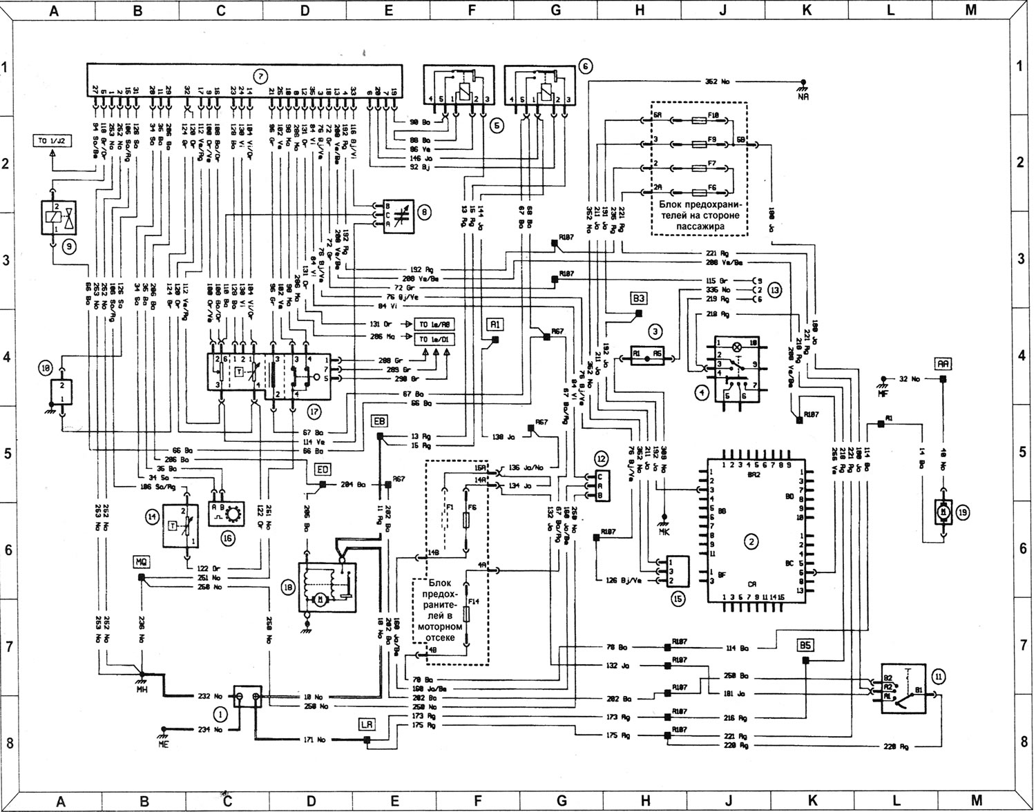
Ключ к схеме
- 1 - Аккумулятор
- 2 - Щиток приборов
- 3 - Шунт
- 4 - Выключатель аварийной сигнализации
- 5 - Реле блокировки впрыска
- 6 - Реле топливного насоса
- 7 - Процессорный блок системы впрыска топлива
- 8 - Датчик давления во впускном коллекторе
- 9 - Электромагнитный клапан рециркуляции топливных паров
- 10- Датчик детонации
- 11 - Замок зажигания
- 12 - Лямбда-датчик
- 13 - Диагностический разъем
- 14 - Датчик температуры охл. жидкости
- 15 - Датчик скорости автомобиля
- 16 - Датчик частоты вращения маховика
- 17 - Блок дроссельной заслонки
- 18 - Стартер
- 19 - Топливный насос

