Примечания:
- Все схемы разделены на пронумерованные цепи в зависимости от выполняемой функции, например. Схема 2: Внешнее освещение. Расположение компонентов обозначено при виде на автомобиль сверху.
- Провода могут связываться между схемами и определяются по координатной сетке, например, 2/А1 означает положение на Схеме 2 в клетке А1.
- Сложные компоненты обозначены на схемах в виде блоков.
- Цепь может разветвляться из одной точки.
- Обозначенные компоненты установлены не на все модели.
Внутренние соединения в блоке

Примечания, внутренние соединения, ключ к символам и цветам проводки
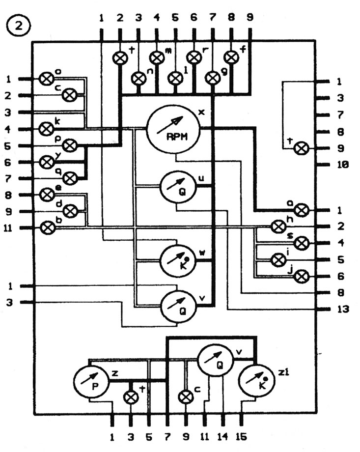
Ключ к комбинации приборов (блок 2)
а = Контрольная лампа аварийной сигнализации
b = Контрольная лампа зарядки
с = Контрольная лампа давления масла
d = Контрольная лампа тормозной системы
e = Лампа предупреждения о высокой температуре
f = Контрольная лампа задних противотуманных фонарей
g = Контрольная лампа обогрева заднего стекла
h = Контрольная лампа износа тормозной колодки
i = Контрольная лампа заслонки
j = Контрольная лампа авт.трансм./система впрыска
k = Контрольная лампа предварительного нагрева
l = Контрольная лампа габаритов
m = Контрольная лампа ближнего света
n = Контрольная лампа дальнего света
o = Контрольная лампа низкого уровня топлива
p = Указатель левого поворота
q = Указатель правого поворота
r = Контрольная лампа передней противотуманной фары
s = Контрольная лампа АБС
t = Освещение приборов
u = Указатель уровня топлива
v = Указатель уровня масла
w = Указатель температуры охл. жидкости
x = Тахометр
y = Повторитель указателя поворота
z = Указатель давления масла
z1 = Указатель температуры масла
Ключ к символам

Цвета проводов:
- Ва Белый
- Be Голубой
- Вj Бежевый
- Cy Прозрачный
- Gr Серый
- Ja Желтый
- Ma Коричневый
- No Черный
- Or Оранжевый
- Rd Красный
- Sa Розовый
- Ve Зеленый
- Vi Сиреневый
Блок предохранителей в двигателе
| Предохранитель | Ток | Цепь |
| 1 | 5А | Фонари заднего хода, аварийная сигнализация |
| 2 | 25А | Ближний свет правой фары, омыватель фары |
| 3 | 15А | Ближний свет левой фары |
| 1 | 20А | Противотуманные фары - передние |
| 5 | 25А | Вентилятор охлаждения |
| 6 | 30А | Функции двигателя |
| 7 | Запасной | |
| 8 | 20А | Звуковой сигнал |
| 9 | Запасной | |
| 18 | 25А | Функции двигателя |
| 11 | 5А | Автоматическая трансмиссия |
| 12 | 15А | Дальний свет правой фары |
| 13 | 15А | Дальний свет левой фары |
| 14 | 20А | Топливоподкачивающий насос |
| 15 | 30А | Воздушный кондиционер |
Блок предохранителей на стороне пассажира
| Предохранитель | Ток | Цепь |
| 1 | 30А | Правый электрический стеклоподъемник |
| 2 | 15А | Система АБС |
| 3 | 30А | Левый электрический стеклоподъемник |
| 4 | 20А | Сидения с подогревом |
| 5 | 15А | Внутреннее, освещение, автомагнитола, аварийная сигнализация |
| 6 | 30А | Отключение аксессуаров |
| 7 | 10А | Часы |
| 9 | 15А | Передний омыватель/очиститель |
| 9 | 15А | Прикуриватель |
| 10 | 10А | Лампы стоп-сигнала |
| 11 | 10А | Автомагнитола |
| 12 | 20А | Центральный замок, электроуправляемые зеркала |
| 13 | 20А | Обогреватели заднего стекла и зеркал |
| 14 | 10А | Таймер переднего стеклоочистителя |
| 15 | + до замка зажигания (опционально для моделей универсал) | |
| 16 | 10А | Прерыватель указателей поворота и аварийной сигнализации |
| 17 | 10А | Задний противотуманный фонарь |
| 18 | 10А | Левые задние фонари |
| 19 | 10А | Правые задние фонари |
| 20 | Запасной | |
| 21 | 20А | Нагнетатель отопителя |
| 22 | 10А | Автомагнитола, сигнализация |
